UA741
运算放大器 通用放大器
制造商:
产品信息
The µA741 device is a general-purpose operational amplifier featuring offset-voltage null capability.
The high common-mode input voltage range and the absence of latch-up make the amplifier ideal for voltage-follower applications. The device is short-circuit protected and the internal frequency compensation ensures stability without external components. A low value potentiometer may be connected between the offset null inputs to null out the offset voltage as shown in .
物理量的感测在一般应用中,经常使用各类传感器将位移、角度、压力、与流量等物理量转换为电流或电压信号,之后再由量测此电压电流信号间接推算出物理量变化,以达成感测、控制的目的。但有时传感器所输出的电压电流信号可能非常微小,以致信号处理时难以察觉其间的变化,故需要以放大器进行信号放大以顺利测得电流电压信号,而放大器所能达成的工作不仅是放大信号而已,尚能应用于缓冲隔离、准位转换、阻抗匹配、以及将电压转换为电流或电流转换为电压等用途。现今放大器种类繁多,一般仍以运算放大器(OperationalAmplifier,OpAmp)应用较为广泛,本文即针对741运算放大器的使用加以说明。1.运算放大器简介ab126
计算公式大全 放大器最初被开发的目的是运用于类比计算器之运算电路,其内部为复杂的集成电路(IntegratedCircuit,IC),亦即在单一电子组件中整合了许多晶体管与二极管,图1
为一般放大器之内部等值电路。
优势特点
特性 1
• 短路保护
• 失调电压清零功能
• 宽泛的共模和差分电压范围
• 无需频率补偿
• 无锁存
2 应用
• DVD 录像机和播放器
• 专业音频混合器
规格参数


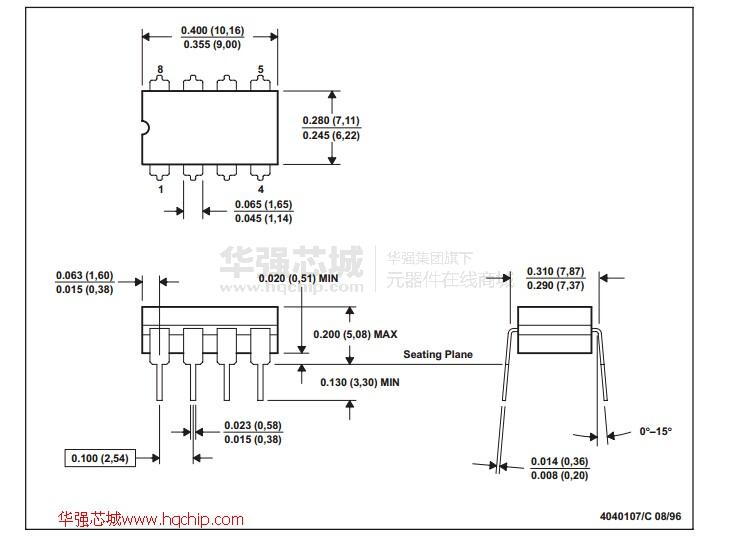
电路图、引脚图和封装图
在线购买
型号:UA741MJ/B
描述:-
型号:UA741MFKB
描述:-
型号:UA741IP
描述:-
型号:UA741CPS
描述:-
型号:UA741MN
描述:-
型号:UA741MDT
描述:-



