SP3485
3.3V低功耗半双工收发器
制造商:
产品信息
SP3481和SP3485是+ 3.3V低功耗半双工收发器系列,符合RS-485和RS-422串行协议的规范。这些器件与Exar SP481,SP483和SP485器件以及流行的行业标准引脚兼容。SP3481和SP3485采用Exar的BiCMOS工艺,可在不牺牲性能的情况下实现低功耗运行。SP3481和SP3485满足负载下高达10Mbps的RS-485和RS-422串行协议的电气规范。SP3481配备低功耗关机模式。
优势特点
•RS-485与RS-422收发器
•操作从一个单一的+3.3 V电源
•互操作+ 5.0V逻辑
•驱动器/接收器使
•- 7V至+12 V的共模输入电压范围
•允许多达32个收发器的串行总线
•兼容行业标准的75176引脚说明
•驱动器输出短路保护
规格参数

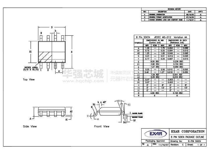
电路图、引脚图和封装图
在线购买
型号:SP3485EN
描述:-
型号:SP3485CN-L/TR-CUT TAPE
描述:-
型号:SP3485D
描述:-
型号:SP3485EN-L
描述:-
型号:SP3485EN-L/TR
描述:-
型号:SP3485CN-L
描述:-
技术资料
应用案例
基于SP6641的手持设备电源设计
2012-07-08
索浦SP-200型电磁炉电路原理图
2012-07-08
Littelfuse SP1012系列瞬态抑制二极管阵列荣获《Electronic Products》“年度最佳产品”
2012-07-08
小米5sp和iPhone7同框,小鲜肉与野兽的感觉!
2012-07-08
Littelfuse SP3012系列瞬态抑制二极管阵列新封装选择带来更大布局灵活性
2012-07-08
HA5138SP引脚功能的电压资料参数
2012-07-08
Littelfuse新推SP1026系列30kV瞬态抑制二极管阵列,帮助避免静电放电损坏设备
2012-07-08
SP2338串口扩展芯片在汽车行驶记录仪中的应用
2012-07-08




