MEGA162
大功率音频放大集成电路
制造商:
产品信息
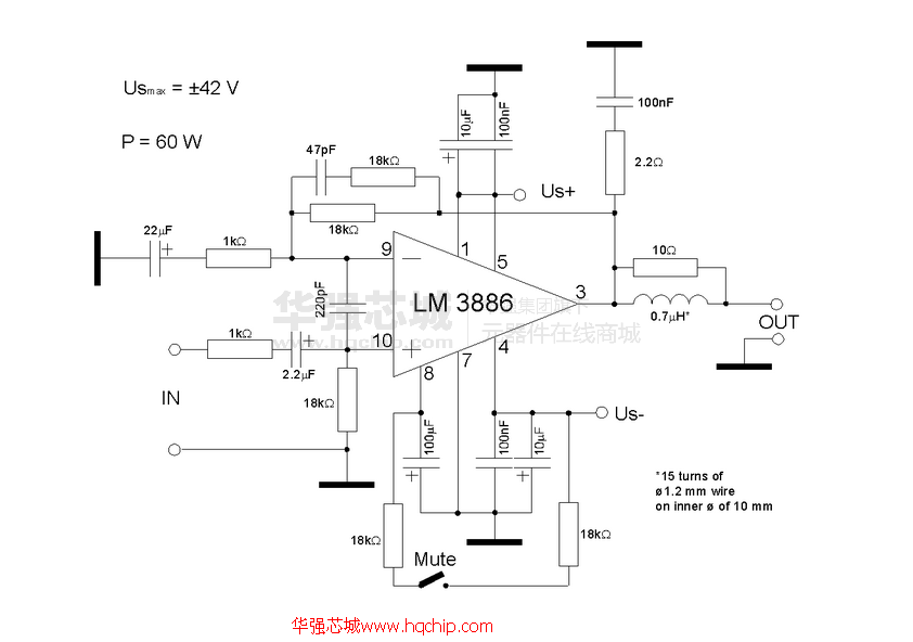
LM3886TF是美国NS公司推出的新型的大功率音频放大集成电路,其后面的TF为全绝缘封装,和 LM1875T相比,它的功率较大,在额定工作电压下最大可达68W的连续不失真平均功率,同样具有比较完善的过压过流过热保护功能, 最可贵的是它具有自动抗开关机时的电流冲击的功能,使扬声器能够安全的工作。
LM3886优异的性能,使得它在近几年音响制作中广泛的应用,许多成品功放机中就有直接的应用它担任后级功放或者用它作为重低音放大电路。采用了美国NS公司(国家半导体公司)推出的新型高保真音响功放集成电路LM3886TF作功率放大,用运放NE5532或AD827作前置线性放大和音调放大。
LM3886特点有:输出功率大(连续输出功率68W)、失真度小(总失真加噪声<0.03%)、保护功能(包括过压保护、过热保护、电流限制、温度限制、开关电源时的扬声器冲击保护、静噪功能)齐全,外围元件少,制作调试容易,工作稳定可靠。
LM3886由于用它制作功率放大电路具有简易,适用的特点,特别适合于烧友以及电子爱好者的制作。
优势特点
1、具有外部电路简单,容易DIY的特点。
2、内部保护电路齐全,具有过压,过流,过热保护。
3、电源电源区间大,20V到94V,(双供电正负10-42)。
规格参数
LM3886TF的电气参数如下:
LM3886在VCC=VEE=28V、 4欧负载时能达到68W的连续平均功率,在VCC=VEE=35V,8欧负载时能达到50W的平均功率。具有较宽的电源电压范围VCC+VEE为20V-94V;
总谐波失真+噪声:60W 20Hz<F
转换速率(SLEW RATE):VIN=2.0VP-P、tRISE=2ns 时的值为 19V/us



