LDC1000
电感到数字转换器
制造商:
产品信息
说明
电感感测是一种遥控的、短程感测技术,此项技术能够在灰尘、污垢、油和潮湿环境中实现导体目标的低成本、高分辨率感测,这使得它在恶劣环境中非常可靠。通过使用可在印刷电路板 (PCB) 上被创建为一个感测元件的线圈,LDC1000 可实现超低成本系统解决方案。
电感感测技术可实现线性/角位置、位移、运动、压缩、振动、金属成分以及市面上包括汽车、消费类、计 算机、工业用、医疗用和通信应用在内的很多其它应用的高精度测量。 电感感测以低于其它竞争对手解决方案的成本提供更佳的性能和可靠性。
LDC1000 是世界上第一个电感数字转换器,从而在一个低功耗、小封装尺寸解决方案内提供电感感测的优 势。 此产品采用一个小外形尺寸无引线 (SON)-16 封装,并且提供了几种运行模式。 一个串行外设接口(SPI) 简化了到微控制器 (MCU) 的连接。
应用范围
• 电传线控系统
• 轮齿计数
• 流量计
• 按钮开关
• 笔记本电脑
• 游戏控制器
• 多功能打印机
• 数码照相机
• 医疗设备
优势特点
优势:
• 更高的分辨率:可通过 16 位共振阻抗及 24 位电感值,在位置传感应用中实现亚微米级分辨率;
•更高的可靠性:提供非接触传感技术避免受油污尘土等非导电污染物的影响,可延长设备使用寿命;
•更高的灵活性:允许传感器远离电子产品安放,处于 PCB 无法安放的位置;
•更低的系统成本:采用低成本传感器及传导目标,无需磁体;
•无限可能性:支持压缩的金属薄片或导电油墨目标,可为创造性创新系统设计带来无限可能;
•更低的系统功耗:标准工作时功耗不足 8.5mW,待机模式下功耗不足 1.25mW。
特点:
• 无磁体操作
• 亚微米高精度
• 可调感测范围(通过线圈设计实现)
• 更低的系统成本
• 远程传感器放置(从恶劣环境中将 LDC 去耦合)
• 高耐久性(借助于遥控操作)
• 对于环境干扰的不敏感性(诸如污垢、灰尘、水、 油)
规格参数
规格参数:
• 电源电压,模拟:4.75V 至 5.25V
• 电源电压,IO:1.8V 至 5.25V
• 电源电流(无 LC 谐振回路):1.7mA
• Rp 分辨率:16 位
• L 分辨率:24 位
• LC 频率范围:5kHz 至 5MHz






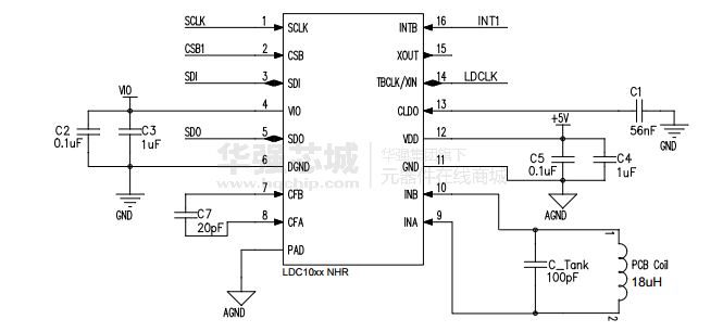
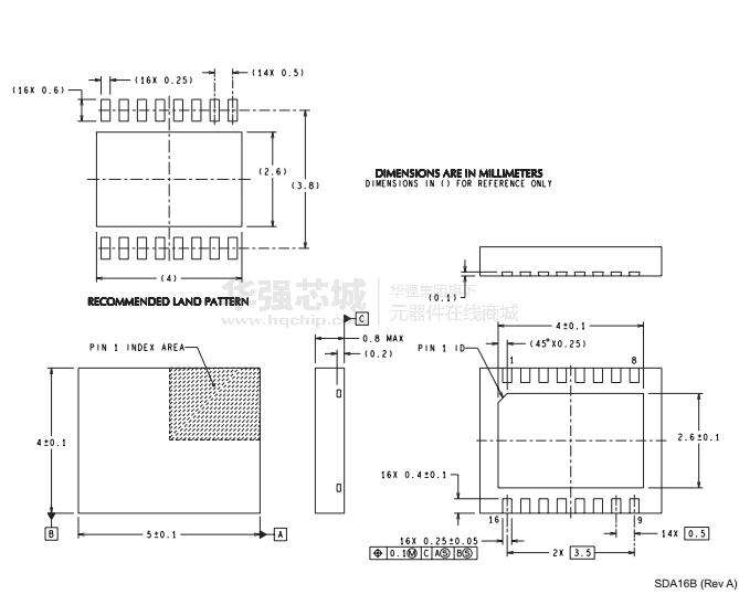
电路图、引脚图和封装图
在线购买
型号:LDC1000 CLICK
描述:-
型号:LDC1000QEVM
描述:-
型号:LDC1000EPWRQ1
描述:-
型号:LDC1000QPWRQ1
描述:-
型号:LDC1000NHRJ
描述:-
型号:LDC1000NHRT
描述:-
技术资料
应用案例
LDC1000电感的工作原理_LDC1000的主要性能优势
2019-09-17
ldc1000应用程序
2014-08-09
ldc1000传感器是什么_ldc1000怎么用
2018-07-17
LDC1000资料介绍 LDC1000工作原理与应用分析
2018-08-13
ldc1000输出量是模拟的吗 LDC1000采集值的调用程序分析及应用
2018-08-13
LDC1000在STM32的程序 LDC1000的STM32驱动源程序
2018-08-13
ldc1000线圈自制设计及接法 详解ldc1000应用设计
2018-08-13
LDC1000寄存器读取时局出错的原因 详解LDC1000寄存器运行状况
2018-08-13



