DAC0832
8 位微处理器兼容的双缓冲 D/A 转换器
制造商:
产品信息
DAC0832是8分辨率的D/A转换集成芯片。与微处理器完全兼容。这个DA芯片以其价格低廉、接口简单、转换控制容易等优点,在单片机应用系统中得到广泛的应用。D/A转换器由8位输入锁存器、8位DAC寄存器、8位D/A转换电路及转换控制电路构成。
优势特点
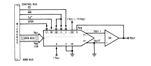
* D0~D7:8位数据输入线,TTL电平,有效时间应大于90ns(否则锁存器的数据会出错);
* ILE:数据锁存允许控制信号输入线,高电平有效;
* CS:片选信号输入线(选通数据锁存器),低电平有效;
* WR1:数据锁存器写选通输入线,负脉冲(脉宽应大于500ns)有效。由ILE、CS、WR1的逻辑组合产生LE1,当LE1为高电平时,数据锁存器状态随输入数据线变换,LE1的负跳变时将输入数据锁存;
* XFER:数据传输控制信号输入线,低电平有效,负脉冲(脉宽应大于500ns)有效;
* WR2:DAC寄存器选通输入线,负脉冲(脉宽应大于500ns)有效。由WR2、XFER的逻辑组合产生LE2,当LE2为高电平时,DAC寄存器的输出随寄存器的输入而变化,LE2的负跳变时将数据锁存器的内容打入DAC寄存器并开始D/A转换。
* IOUT1:电流输出端1,其值随DAC寄存器的内容线性变化;
* IOUT2:电流输出端2,其值与IOUT1值之和为一常数;
* RFB:反馈信号输入线,改变Rfb端外接电阻值可调整转换满量程精度;
* Vcc:电源输入端,Vcc的范围为+5V~+15V;
* VREF:基准电压输入线,VREF的范围为-10V~+10V;
* AGND:模拟信号地;
* DGND:数字信号地。
1)分辨率
分辨率它反映了输出模拟电压的最小变化值。定义为输出满刻度电压与2n的比值,其中n为DAC的位数。
分辨率与输入数字量的位数有确定的关系。对于5V的满量程,采用8位的DAC时,分辨率为5V/256=19.5mV;当采用10位的DAC时,分辨率则为5V/1024=4.88mV。显然,位数越多分辨率就越高。
2)建立时间
建立时间是描述DAC转换速度快慢的参数。定义为从输入数字量变化到输出达到终值误差±1/2 LSB(最低有效位)所需的时间。
3)接口形式
接口形式是DAC输入/输出特性之一。包括输入数字量的形式:十六进制或BCD,输入是否带有锁存器等。
DAC0832是使用非常普遍的8位D/A转换器,由于其片内有输入数据寄存器,故可以直接与单片机接口。
DAC0832以电流形式输出,当需要转换为电压输出时,可外接运算放大器。属于该系列的芯片还有DAC0830、DAC0831,它们可以相互代换。
根据数据的输入过程,单片机与DAC0832有三种联接方式:

二级缓冲器连接方式
单级缓冲器连接方式
直通连接方式
规格参数
分辨率为8位;
电流稳定时间1us;
可单缓冲、双缓冲或直接数字输入;
只需在满量程下调整其线性度;
单一电源供电(+5V~+15V);
低功耗,20mW。
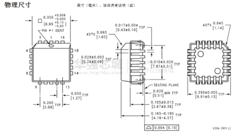
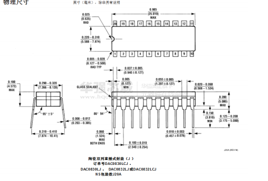
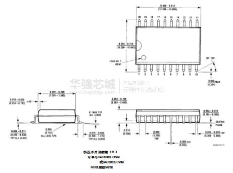
电路图、引脚图和封装图
在线购买
型号:DAC0832LJ
描述:-
型号:DAC0832LCN 管装
描述:-
型号:DAC0832LCWMX/HAPB
描述:-
型号:DAC0832LCWMXNOPB
描述:-
型号:DAC0832LCWMX/N>
描述:-
型号:DAC0832LCN@NOPB
描述:-







