AT24C32
2线串行EEPROM
制造商:
产品信息
特点:
低电压和标准电压工作
– 5.0 (VCC= 4.5V至5.5V )
– 2.7 (VCC= 2.7V至5.5V )
– 2.5 (VCC= 2.5V至5.5V )
– 1.8 (VCC= 1.8V至5.5V )
低功耗器件(我SB= 2µA @ 5.5V )可
内部分为4096 ×8 , 8192 ×8
2线串行接口
施密特触发器滤波输入抑制噪声
双向数据传输协议
100千赫( 1.8V , 2.5V , 2.7V )和400 kHz ( 5V )的兼容性
写保护引脚用于硬件数据保护
32字节页写模式(部分页写允许)
自定时写周期(最大10 ms )
高可靠性
- 耐力: 100万次擦写循环
- 数据保存:100年
- ESD保护: 》3,000V
提供汽车级和扩展级温度装置
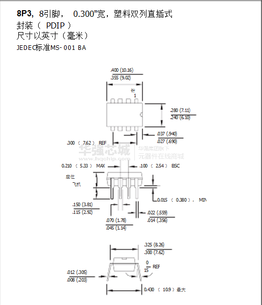
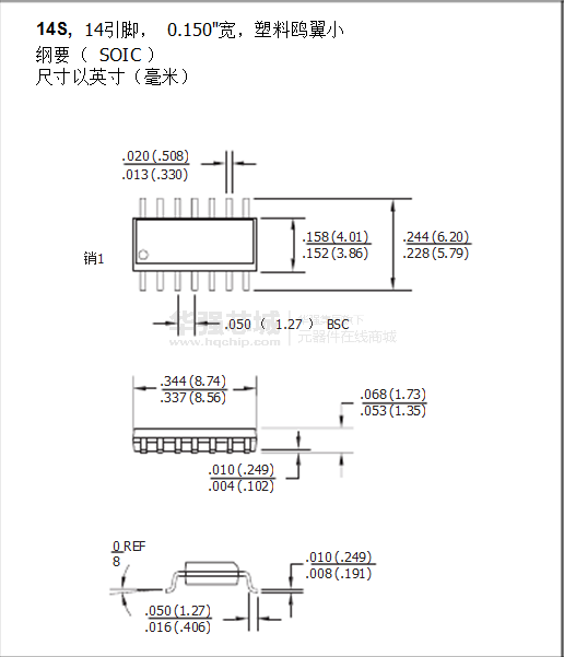
8引脚PDIP JEDEC , 8引脚和14引脚SOIC JEDEC , 8引脚SOIC EIAJ ,
和8引脚TSSOP封装
描述:
在AT24C32 / 64提供32,768 / 65,536位串行电可擦除和亲
可编程只读组织成8位八千一百九十二分之四千零九十六字存储器(EEPROM)中
每一个。该器件的级联功能允许多达8个设备共享一个共同的2-
wire总线。所述装置被用于许多工业和商业应用优化
其中,系统蒸发散低功耗和低电压操作是必不可少的。在AT24C32 / 64
在节省空间的8引脚PDIP JEDEC提供8引脚和14引脚SOIC JEDEC , 8引脚
EIAJ SOIC和8引脚TSSOP封装,并通过2线串行接口访问。
另外,全家人都在5.0V可( 4.5V至5.5V ) , 2.7V ( 2.7V至5.5V ) ,
2.5V ( 2.5V至5.5V )和1.8V ( 1.8V至5.5V )版本。





