TTH200W04TV1
涡轮2超快高压整流器
制造商:
产品信息
The STTH200W04TV1, which uses ST turbo 2, 400 V technology, is especially suited for use in DC/DC and DC/AC converters in secondary stage of MIG/MMA/TIG welding machine.
Packaged in ST’s ISOTOP, this device offers high power integration for all welding machines and industrial applications.
stth200w04tv1,采用ST涡轮2,400 V技术,尤其适用于DC/DC和DC/AC转换器在中学阶段的MIG /手工/氩弧焊机。
包装在ST的同位素,这种装置的所有焊接机和工业应用提供高功率集成。
Key Features
Ultrafast switching
Low reverse current
Low thermal resistance
Reduces switching and conduction losses
Insulated package:
Electrical = 2500 VRMS
Capacitance = 45 pF
主要特点
超快切换
低反向电流
低热阻
减少开关和传导损耗
绝缘包:
电= 2500 VRMS
电容= 45
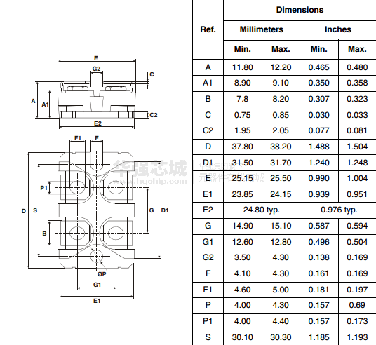
电路图、引脚图和封装图
应用案例
MIUI for TV1.0到3.0的改进思路
2020-09-30
观海微GH8555BL+BOE6.95(TV070WSQ-T80)搭配原理及代码
2022-12-15
意法半导体LED电视 200W数字电源解决方案满足严格的生态设计标准
2021-09-03
手机200W有线充电技术揭秘 200W有线充电电路设计
2021-12-01
OPPO终于推出首款电视:即OPPO TV S1和OPPO TV R2020-10-21
迎广发布B1迷你ITX机箱,自带SFF 80+金牌认证200W电源
2020-01-09
200W的逆变电源,200W Inverter
2019-01-26
1%精度 0402封装 128种阻值 每种阻值200片 贴片电阻盒 R04E24-200
2018-10-19



