TPS61200
采用 3x3 QFN 封装、具有 1.3A 开关和“降压模式”的 0.3V 输入电压升压转换器
制造商:
产品信息
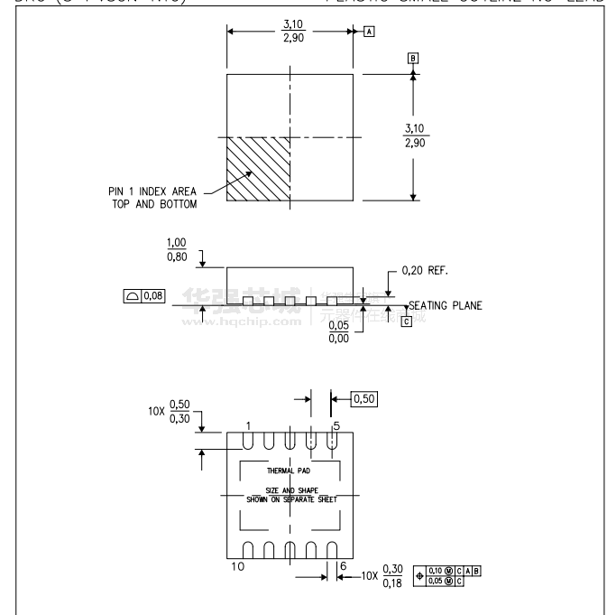
TPS6120x 器件可以为由单节、2 节或 3 节碱性、镍镉或镍氢电池或单节锂离子或锂聚合物电池供电的产品提供电源解决方案。 它也被用在燃料电池或太阳能电池供电的器件中,在此类应用中处理低输入电压的能力十分重要。 可能的输出电流取决于输入与输出电压比。 在使用一个单节锂离子或锂聚合物电池并且将其放电至 2.6V 时,此器件在 5V 输出时提供高达 600mA 的输出电流。此升压控制器基于一个固定频率、脉宽调制 (PWM) 控制器,此控制器使用同步整流来获得最大效率。 在低负载电流情况下,此转换器进入省电模式以在宽负载电流范围内保持高效率。 省电模式可被禁用,从而强制转换器运行在固定的开关频率下。 平均输入电流被限制在 1500mA 的最大值上。 通过一个外部电阻器分压器可对输出电压进行编程,或者在芯片上对输出电压进行内部固定。 转换器可被禁用以大大减少电池消耗。 在关断期间,负载从电池上完全断开。 此器件封装在 10 引脚,3mm x 3 mm,SON 封装内。
特性
- 效率大于 90% 的情况:
- 3.3V 时的输出电流为 300mA
(VIN≥2.4V) - 5V 时的输出电流为 600mA (VIN≥3V)
- 3.3V 时的输出电流为 300mA
- 在升压模式和降压转换模式之间自动转换
- 器件静态电流小于 55μA
- 在输入电压为 0.5V 时启动进入满负荷
- 工作输入电压范围从
0.3V 至 5.5V - 可编程欠压闭锁阈值
- 所有工作条件下的输出短路保护
- 1.8V 至 5.5V 固定和可调输出电压选项
- 用于改进低输出功率时效率的省电模式
- 强制的固定频率工作可能会导致
- 关机期间负载断开
- 过温保护
- 小型 3mm x 3mm 小外形尺寸无引线 (SON)-10 封装
电路图、引脚图和封装图
在线购买
型号:TPS61201DRCT/BKN
描述:-
型号:TPS61200DRCR/BKN
描述:-
型号:TPS61202DRCT.
描述:-
型号:TPS61200DRCT.
描述:-
型号:TPS61202DRCTG4
描述:-
型号:TPS61201DRCTG4
描述:-
技术资料
应用案例
TPS2001EEVM-247评估模块技术解析与应用指南
2025-08-20
TPS7350/tps6735设计的正负5V稳压电源电路
2010-10-23
采用TPS54310的雷达视频信号模拟器的电源电路设计
2010-10-23
基于TPS61185设计的高度集成大尺寸LCD背光技术
2010-10-23
用TPS62200作为OMAP1510的动态电压缩放器
2010-10-23
深入剖析AP61200/AP61201/AP61202/AP61203同步降压转换器
2025-12-18
Texas Instruments TPS62A03EVM-028/TPS62A03AEVM
2025-07-23
基于TPS63020的高效小型升降压电源技术
2010-10-23




