TL084
JFET 输入运算放大器
制造商:
产品信息
该TL084,TL084A和TL084B是四输入运算放大器与高速J–FET(结型场效应管)的结合良好的匹配,高电压的J-FET和双极晶体管电路在一个单片tegrated回路范围。 这些器件具有高转换率,低输入偏置和偏置电流,低失调电压温度系数。
The TL08xx JFET-input operational amplifier family is designed to offer a wider selection than any previously developed operational amplifier family. Each of these JFET-input operational amplifiers incorporates well-matched, high-voltage JFET and bipolar transistors in a monolithic integrated circuit. The devices feature high slew rates, low input bias and offset currents, and low offset-voltage temperature coefficient. Offset adjustment and external compensation options are available within the TL08x family.
优势特点
. WIDE COMMON-MODE (UP TO VCC+ ) AND DIFFERENTIAL VOLTAGE RANGE
. LOW INPUT BIAS AND OFFSET CURRENT
. OUTPUT SHORT-CIRCUIT PROTECTION
. HIGH INPUT IMPEDANCE J–FET INPUT STAGE
.INTERNAL FREQUENCY COMPENSATION
. LATCH UP FREE OPERATION
. HIGH SLEW RATE : 16V/µs (typ)
规格参数
厂家:ST
tl084,采用SOIC封装方式。
运放类型:低噪声
放大器数目:4
带宽:5MHz
摆率:20V/μs
电源电压范围:8V to 36V
封装类型:SOIC
针脚数:14
工作温度范围:-40°C to +125°C
封装类型:SOIC
-3dB带宽增益乘积:5MHz
变化斜率:20V/μs
器件标号:84
工作温度最低:-40°C
工作温度最高:125°C
放大器类型:JFET运放
电源电压 最大:36V
电源电压 最小:8V
表面安装器件:表面安装
输入偏移电压 最大:5.5mV
额定电源电压, +:36V
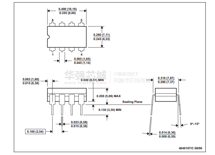
电路图、引脚图和封装图
在线购买
型号:TL082CP NOPB
描述:-
型号:TL084CN..
描述:-
型号:TL084IDR-NG
描述:-
型号:TL084ACDT/BKN
描述:-
型号:TL084AC
描述:-
型号:TL084BC
描述:-



