THS4541
高速差动 I/O 放大器
制造商:
产品信息
描述
THS4541是一个低功耗、电压反馈完全微分放大器(FDA)的共模输入范围-铁路,下面,轨到轨输出。低功耗数据采集系统的设计,高密度是至关重要的高性能数模转换器(ADC)或数模转换器(DAC)界面设计。
THS4541特性所需的负轨输入接口dc-coupled时,ground-centered、源信号。这个负轨输入,轨到轨输出,允许简单的单端之间的接口,ground-referenced,双信号来源和各种各样的特区,ΔΣ,或者只使用单一的流水线adc + 2.7 v至+ 5.4 v电源。
THS4541的特点是操作在宽温度范围内的-40°C到125°C中可用16-pin VQFN和10-pin WQFN包。
优势特点
特性
完全差动放大器(FDA)体系结构
带宽:500 MHz(G = 2 V / V)
增益带宽积:850 MHz
转换速度:1500 V /µs
HD2:-95 dBc 10 MHz(2 VPP RL = 500Ω)
HD3:-90 dBc 10 MHz(2 VPP RL = 500Ω)
输入电压噪声:2.2 nV /赫兹(f > 100 kHz)
低抵消漂移:±0.5µV /°C(typ)
负轨输入个新名词
轨到轨输出(RRO)
健壮的操作Rload≥50Ω
输出模控制
电源:
单电源电压范围:2.7 V至5.4 V
Split-Supply电压范围:±1.35±2.7 V V
静态电流:10.1 mA(5 v供应)
省电功能:2µA(typ)
规格参数




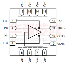
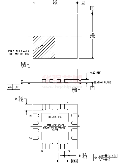
电路图、引脚图和封装图
在线购买
型号:THS4541IRGTR
描述:-
型号:THS4541IRUNT
描述:-
型号:THS4541IRUNR
描述:-
型号:THS4541RGTEVM
描述:-
型号:THS4541IRGTT
描述:-





