THS4524-EP
增强型产品极低功耗四通道轨至轨输出全差动放大器
制造商:
产品信息
描述
THS4524 是一款低功耗、完全差分运算放大器,此放大器带有轨到轨输出和一个包括负电源轨在内的输入共模范围。 这个放大器设计用于低功耗数据采集系统和高密度应用,在此类应用中功率耗散是一个关键参数,此放大器还在音频应用中提供出色的性能。
这个完全差分运算放大器特有精准的输出共模控制,此控制可在驱动模数转换器 (ADC) 时实现 dc 耦合。 与一个低于负电源轨和轨到轨输出的输入共模范围相耦合,这个控制可以很容易的实现与单端、地面基准信号源对接。 除此之外,THS4524 非常适合用于驱动逐次逼近寄存器 (SAR) 和只使用一个单 +2.5V 至 +5V 和地面电源的三角积分 (ΔΣ) ADC。
THS4524 完全差分运算放大器可在 –55°C 至 125°C 的完全工业温度范围内运行。
特性
•完全差分架构
•带宽:145MHz
•转换速率:490V/μs
•HD2:10kHz 时为 -133dBc (1 VRMS,RL=1kΩ)
•HD3:10kHz 时为 -140dBc (1 VRMS,RL=1kΩ)
•输入电压噪声:4.6nV/√Hz(f=100kHz)
•总谐波失真 (THD)+N:1kHz 时为 -112dBc (0.00025%)
(22kHz BW,G=1,5 VPP)
•开环路增益:119dB
•NRI — 负电源轨输入
•RRO — 轨到轨输出
•输出共模控制(具有低偏移和漂移)
•电源:
◦电压:2.5V (±1.25V) 至 5.5V (±2.75V)
◦电流:1.14 mA/通道(ch)
•省电功能:20μA(典型值)
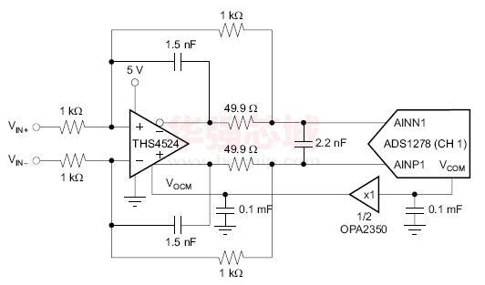
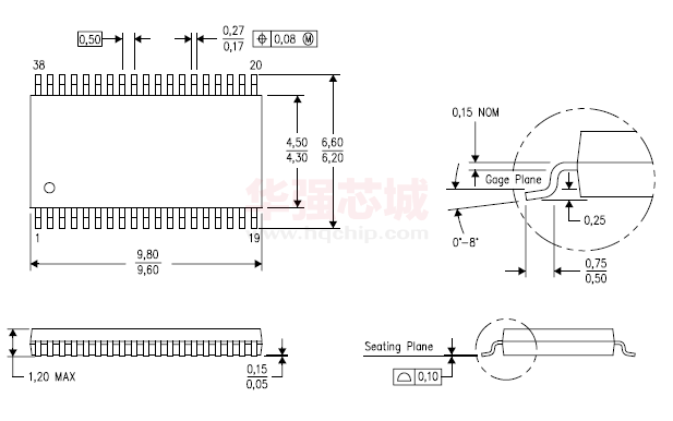
电路图、引脚图和封装图
在线购买
型号:THS4524IDBT.
描述:-
型号:THS4524MDBTREP
描述:-
型号:THS4524IDBTR
描述:-
型号:THS4524EVM
描述:-
型号:THS4524IDBT
描述:-
技术资料
应用案例
深入剖析THS6222:高性能差分HPLC线路驱动器的卓越之选
2026-02-05
THS1206-EP:12位6 MSPS同时采样模数转换器的深度解析
2025-12-05
MQTT应用看这篇!合宙Air780EP_LuatOS_MQTT应用指南
2024-08-09
Air780EP模块AT开发-HTTP应用指南
2024-07-22
泰克示波器THS710DMM超差维修
2022-12-05
VIVADO中时序报告中WNS、WHS、TNS、THS有什么含义
2021-10-21
视频放大器THS7365/19主要特性与应用优势
2021-02-25
SCHURTER硕特非触式隐藏开关-THS 系列介绍
2023-06-29




