TDA1308T/N2
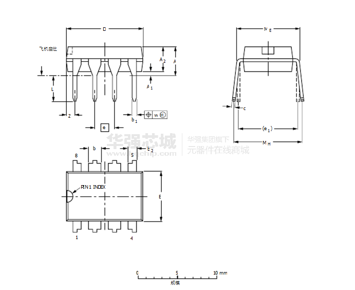
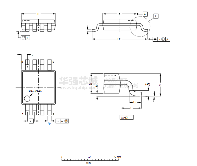
TDA1308 ; TDA1308A是一款集成AB类立体声耳机驱动器包含在一个SO8 , DIP8或TSSOP8塑料封装。
制造商:
产品信息
特点
•工作温度范围宽
•ON / OFF点击无开关
•出色的电源纹波抑制
•低功耗
•短路耐
•高性能
- 高的信号噪声比
- 高转换率
•低失真
•大的输出电压摆幅。
概述
该TDA1308 ; TDA1308A是一款集成AB类立体声耳机驱动器包含在一个SO8 , DIP8或TSSOP8塑料封装。该装置被制造在1毫米的CMOS过程,并已开发出主要用于便携式数字音频应用。的TDA1308和TDA1308A之间的差是, TDA1308A可以在低电源电压下使用。




