STW82102B
射频下变频嵌入式数字频率合成器
制造商:
产品信息
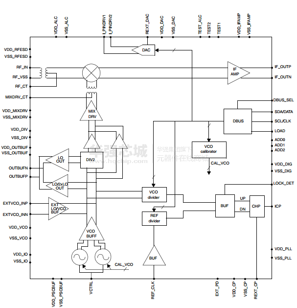
The STMicroelectronics STW82102B is an integrated down converter providing 8 dB of gain, 10.5 dB NF, and a very high input linearity by means of its passive mixer.
Embedding two wide band auto calibrating VCOs and an integer-N synthesizer, the STW82102B is suitable for both Rx and Tx requirements for cellular infrastructure equipment.
The integrated RF balun and internal matching permit direct 50 ohm single-ended interface to RF port. The IF output is suitable for driving 200-ohm impedance filters.
By embedding a DAC with dual current output to drive an external PIN diode attenuator, the STW82102B replaces several costly discrete components and offers a significant footprint reduction.
The STW82102B device is designed with STMicroelectronics advanced 0.35 μm SiGe process. Its performance is specified over a -40 °C to +85 °C temperature range.
意法半导体的stw82102b是一个集成的下变频器提供的增益8 dB,10.5 dB NF,并通过其无源混频器的输入线性度很高。
嵌入两宽带自动校准振荡器和一个整数N合成器的stw82102b适用于RX和TX要求蜂窝基础设施设备。
集成RF巴伦和内部匹配允许直接50欧姆单端接口的射频端口。如果输出是适用于驱动200欧姆阻抗滤波器。
通过嵌入一个DAC双电流输出驱动外部PIN二极管衰减器,其stw82102b取代一些昂贵的分立元件,提供了一个重大的减排。
的stw82102b装置设计与意法半导体先进的0.35μm SiGe工艺。其性能在40°C至85°C的温度范围内。
Key Features
High linearity:
IIP3: +25.5 dBm
2FRF-2FLO spurious rejection: 85 dBc
Noise figure:
NF: 10.5 dB
Conversion gain
CG: 8 dB
RF range: 1425 MHz to 1910 MHz
Wide IF amplifier frequency range: 70 MHz to 400 MHz
Integrated RF balun with internal matching
Dual differential integrated VCOs with automatic center frequency calibration:
LOA: 1500 to 1800 MHz
LOB: 1900 to 2200 MHz
Embedded integer-N synthesizer
Dual modulus programmable prescaler (16/17 or 19/20)
Programmable reference frequency divider (10 bits)
Adjustable charge pump current
Digital lock detector
Excellent integrated phase noise
Fast lock time: 150 μs
Integrated DAC with dual current output
Supply: 3.3 V and 5 V analog, 3.3 V Digital
Dual digital bus interface: SPI and I2C bus (fast mode) with 3 bit programmable address (1101A2A1A0)
Process: 0.35 μm BICMOS SiGe
Operating temperature range -40 to +85oC
44-lead exposed pad VFQFPN package 7x7x1.0 mm
Applications
Cellular infrastructure equipment:
IF sampling receivers Digital PA linearization loops Other wireless communication systems.
主要特点
高线性度:
:25.5 dBm的IIP3
2frf-2flo杂散抑制:85 dBc
噪声系数:
核因子:10.5分贝
转换增益
答:8分贝
射频范围:1425兆赫至1910兆赫
宽中频放大器的频率范围:70兆赫至400兆赫
内部匹配的集成RF巴伦
自动校准双差的集成VCO的中心频率:
罗亚:1500至1800兆赫
高球:1900至2200兆赫
嵌入式数字频率合成器
双模量可编程分频器(16 / 17或19 / 20)
可编程参考分频器(10位)
可调电荷泵电流
数字锁相检测器
良好的综合相位噪声
快速锁定时间:150
双电流输出DAC集成
供应:3.3伏和5伏模拟,3.3伏数字
双数字总线接口:SPI和I2C总线(快速模式)与3位可编程的地址(1101a2a1a0)
方法:0.35μm BiCMOS SiG
工作温度范围40到85oC
44铅接触垫vfqfpn包7x7x1.0毫米
应用
蜂窝基础设施设备:中频采样receiversdigital功放线性化环路
其他无线通信系统。




