STW81200
宽带frac-integer-n集成频率合成器
制造商:
产品信息
The STW81200 is a dual architecture frequency synthesizer (Fractional-N and Integer-N), that features three low phase-noise VCOs with a fundamental frequency range of 3.0 GHz to 6.0 GHz and a programmable dual RF output divider stage which allows coverage from 46.875 MHz to 6 GHz.
The STW81200 optimizes size and cost of the final application thanks to the integration of low- noise LDO voltage regulators and internally-matched broadband RF outputs.
The STW81200 is compatible with a wide range of supply voltages (from 3.0 V to 5.4 V) providing to the end user a very high level of flexibility which trades off excellent performance with power dissipation requirements. A low-power functional mode (software controlled) gives an extra power saving.
Additional features include crystal oscillator core, external VCO mode and output-mute function.
这是一stw81200双结构频率合成器(小数和整数),具有三的低相位噪声VCO具有3 GHz基波频率范围为6 GHz的射频输出分频器和一个可编程的双阶段允许范围从46.875 MHz到6 GHz。
的stw81200优化最终的应用由于规模和成本低噪声LDO稳压器和内部匹配的宽带射频输出一体化。
是的stw81200具有宽范围的电源电压兼容(从3 V至5.4 V)提供给最终用户一个非常高水平的灵活性,结合了功率耗散要求性能优良。一种低功耗的功能模式(软件控制)提供了一个额外的省电。
附加功能包括晶体振荡器的核心,外部VCO模式输出静音功能。
Key Features
Output frequency range: 46.875 to 6000 MHz
Very Low Noise
Normalized in band phase noise floor: -227 dBc/Hz
VCO phase noise: -135 dBc/Hz @ 1 MHz offset, 4.0 GHz carrier
Noise floor: -160 dBc/Hz
Dual architecture frequency synthesizer: Fractional-N and Integer-N
Integrated VCOs with automatic center frequency calibration
Programmable RF output dividers by 1/2/4/8/16/32/64
Dual RF Output broadband matched with programmable power level and mute function
External VCO option with 5 V charge pump
Integrated low noise LDO voltage regulators
Maximum phase detector frequency: 100 MHz
Exact frequency mode
Fast lock and cycle slip reduction
Differential reference clock input (LVDS and LVECPL compliant) supporting up to 800 MHz
13-bit programmable reference frequency divider
Programmable charge pump current
Digital lock detector
Integrated reference crystal oscillator core
R/W SPI interface
Logic compatibility/tolerance 1.8 V/3.3 V
Low Power Functional mode
Supply Voltage: 3.0 V to 5.4 V
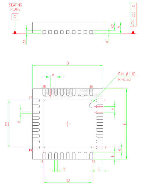
Small size exposed pad VFQFPN36 package 6 x 6 x 1.0 mm
Process: BICMOS 0.25 μm SiGe
主要特点
输出频率范围:46.875至6000兆赫
噪音非常低
带内相位噪声地板标准:- 227 dBc / Hz
VCO的相位噪声:135 dBc/Hz @ 1 MHz偏移,4 GHz载波
底噪:- 160 dBc / Hz
双重结构:小数和整数分频频率合成器
自动校准的集成VCO的中心频率
可编程RF输出分频器的1 / 2 / 4 / 8 / 16 / 32 / 64
具有可编程功率级和静音功能的双射频输出宽带匹配
5伏的电荷泵外部振荡器选项
集成的低噪声LDO稳压器
最大相位检测器频率:100兆赫
精确频率模式
快速锁定和循环滑减
差分基准时钟输入(LVDS和lvecpl标准)支持高达800 MHz
13位可编程参考分频器
可编程电荷泵电流
数字锁相检测器
集成参考晶体振荡器
R / W的SPI接口
逻辑兼容/宽容1.8伏/ 3.3伏
低功耗功能模式
电源电压:3伏至5.4伏
小规模的接触垫vfqfpn36包6 x 6 x 1毫米
0.25μm SiGe BiCMOS工艺
电路图、引脚图和封装图
应用案例
EtherCAT 转 ProfiNet 赋能倍福 CX5140 PLC 与西门子 S7-1500 在高端数控机床柔性产线的数字化升级实践
2025-08-22
TC WAFER 晶圆测温系统 仪表化晶圆温度测量
2024-03-09
DC/DC转换器的基板布局-降压型转换器工作时的电流路径
2023-02-23
配电系统图怎么画 配电系统图字母含义
2023-04-09
2024智能办公键盘推荐,AI赋能让办公更加高效快捷
2024-01-04
协作机器人企业切入具身智能赛道的三种途径
2025-11-10
精彩回顾丨为昕科技出席EDTEST2024深圳大会并发表重要演讲
2024-12-21
TPS566250 具有 VID 控制的 4.5V 至 17V、6A 同步降压转换器数据手册
2025-06-23




