STW81101
多频段的射频频率合成器集成压控振荡器
制造商:
产品信息
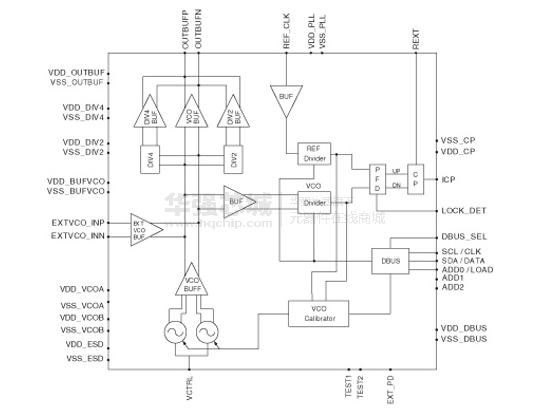
The STMicroelectronics STW81101 is an integrated RF synthesizer with voltage controlled oscillators (VCOs). Showing high performance, high integration, low power, and multi-band performances, STW81101 is a low-cost one-chip alternative to discrete PLL and VCO solutions.
The STW81101 includes an integer-N frequency synthesizer and two fully integrated VCOs featuring low phase-noise performance and a noise floor of -155 dBc/Hz. The combination of wide frequency range VCOs (using center-frequency calibration over 32 sub-bands) and multiple output options (direct output, divided by 2, or divided by 4) allows coverage of the 825 MHz-1100 MHz, 1650 MHz-2200 MHz and 3300 MHz-4400 MHz bands.
The STW81101 is designed with STMicroelectronics advanced 0.35 µm SiGe process.
意法半导体的stw81101是一个集成的射频合成器和压控振荡器(VCO)。呈现出高性能、高集成度、低功耗、多stw81101乐队的演出,是一种低成本的单芯片替代分立PLL和VCO的解决方案。
stw81101包括频率合成器和完全集成的压控振荡器具有低相位噪声性能和噪声地板- 155 dBc / Hz。宽频率范围的压控振荡器的组合(使用中心频率校准过的32个子带)和多个输出选项(直接输出,除以2,或除以4)允许825 mhz-1100兆赫覆盖,1650 MHz和3300 MHz频段mhz-2200 mhz-4400。
意法半导体的stw81101设计先进的0.35µm SiGe工艺。
Key Features
Integer-N Frequency Synthesizer
Dual differential integrated VCOs with automatic center frequency calibration:
3300 - 3900 MHz (Direct output) 3800 - 4400 MHz (Direct output) 1650 - 1950 MHz (Internal divider by 2) 1900 - 2200 MHz (Internal divider by 2) 825 - 975 MHz (Internal divider by 4) 950 - 1100 MHz (Internal divider by 4) Excellent integrated phase noise
Fast lock time: 150μs
Dual modulus programmable prescaler (16/17 or 19/20)
2 programmable counters to achieve a feedback division ratio from 256 to 65551 (prescaler 16/17) and from 361 to 77836 (prescaler 19/20).
Programmable reference frequency divider (10 bits)
Phase frequency comparator and charge pump
Programmable charge pump current
Digital Lock Detector
Dual Digital Bus Interface: SPI and I2C bus with 3 bit programmable address (1100A2A1A0)
3.3V Power Supply
Power down mode (HW and SW)
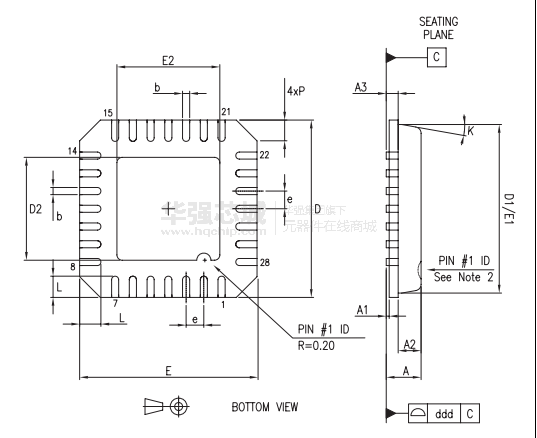
Small size exposed pad VFQFPN28 package 5x5x1.0mm
Process: BICMOS 0.35μm SiGe
主要特点
频率合成器
自动中心频率校准的双差分VCO的集成:3300 - 3900 MHz(直接输出)3800 - 4400兆赫(直接输出)1650 - 1950 MHz(2内部分频器)1900 - 2200 MHz(2内部分频器)825 - 975 MHz(4内部分频器)950 - 1100 MHz(4内部分频器)
良好的综合相位噪声
快速锁定时间:150
双模量可编程分频器(16 / 17或19 / 20)
2可编程计数器来实现反馈分频比从256到65551(预分频器的16 / 17)和从361到77836(预分频器的19 / 20)。
可编程参考分频器(10位)
相位频率比较器和电荷泵
可编程电荷泵电流
数字锁相检测器
双数字总线接口:SPI和I2C总线的3位可编程的地址(1100a2a1a0)
3.3V的电源
掉电模式(硬件和软件)
小尺寸封装5x5x1.0mm裸露焊盘vfqfpn28
0.35μm SiGe BiCMOS工艺




