STTH8R03
300V的超高速整流器
制造商:
产品信息
The TURBOSWITCH "R" is an ultra high performance diode.
This TURBOSWITCH family, which drastically cuts losses in associated MOSFET when run at high dIF/dt, is suited for HF OFF-Line SMPS and DC/DC converters.
turboswitch“R”是一个超高性能的二极管。
这turboswitch家庭,大大减少损失相关的MOSFET当运行在高性/药物疗法,适用于高频离线开关电源和DC/DC变换器。
Key Features
Designed for high frequency applications.
Hyperfast recovery competes with GaAs devices.
Allows size decrease of snubbers and heatsinks.
主要特点
高频应用设计。
超高速恢复竞争与GaAs器件。
允许缓冲器和散热器的尺寸减小。
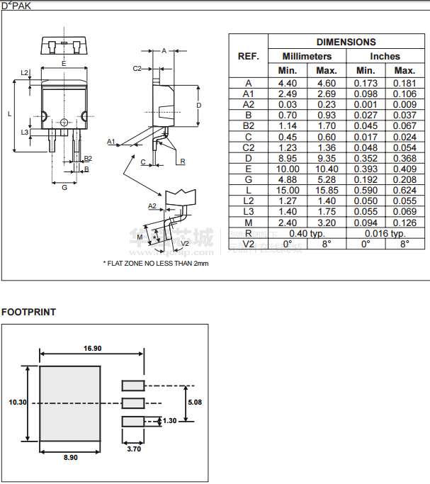
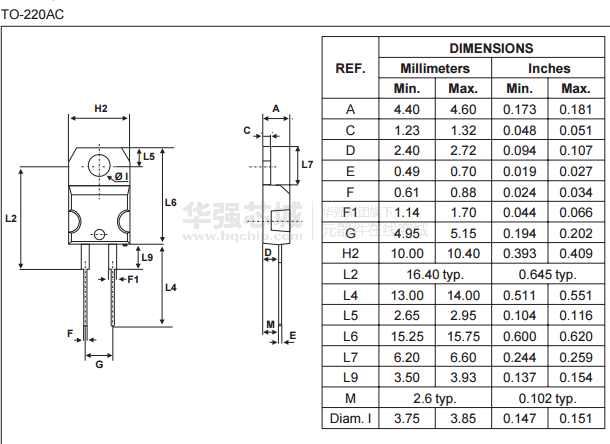
电路图、引脚图和封装图
应用案例
DW03D锂电池保护芯片
2022-11-29
经纬恒润为新一代领克03研发配套电动座椅模块和门模块产品
2022-09-06
经纬恒润助力新一代领克03首发亮相
2022-09-06
SLN30P03T 美浦森 P沟道-30V -30A DFN3*3-8 MOS管
2022-05-06
SLN30P03T 美浦森 -30V -30A DFN3*3-8 P沟道MOS管
2022-05-06
SKY POWER SP-275 TS CR-03发动机规格
2021-11-11
MDDG03R01G低导通MOS 跨越新领域,提升同步整流、DC-DC转换效率
2025-07-28
WMZ-03型温度指示仪的工作原理及使用方法
2021-06-12




