STTH802
超快恢复二极管
制造商:
产品信息
The STTH802 uses ST's new 200 V planar Pt doping technology, and is specially suited for switching mode base drive and transistor circuits.
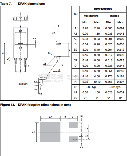
Packaged in TO-220AC, TO-220FPAC, DPAK, and D2PAK this device is intended for use in low voltage, high frequency inverters, free wheeling and polarity protection.
stth802采用ST公司的新的200 V平面Pt掺杂技术,是特别适合于开关基极驱动晶体管电路。
在封装的TO - 220AC,TO - 220FPAC,DPAK封装,和D2PAK本装置适用于低电压,高频率逆变器,免费续流和极性保护。
Key Features
Very low conduction losses
Negligible switching losses
Low forward and reverse recovery time
High junction temperature
主要特点
极低传导损耗
可忽略的开关损耗
低正向和反向恢复时间
高结温
电路图、引脚图和封装图
应用案例
MAX690A/MAX692A/MAX802L/MAX802M/MAX805L 微处理器监控
2026-02-28
基于IS802的稳压BOOST电路设计
2023-11-10
从802.ac升级到802.ax,新一代WiFi标准优化了什么内容
2017-09-20
支持802.11K和802.11R协议的WiFi模块,了解一下
2018-08-29
怎样查看802.11ac协议_查看802.11ac协议的方法(电脑、手机、路由器)
2018-04-04
对比802.11ax与802.11ac射频技术的先进之处
2018-05-05
802.11ac和 802.11ax的关键区别是什么?
2017-09-26
凌力尔特推出802.3af/802.3at 兼容的以太网供电
2009-01-08






