STTH6003
超快恢复整流二极管
制造商:
产品信息
Dual rectifier suited for switch mode power supply and high frequency DC to DC converters. Packaged in TO-247, this device is intended for use in low voltage, high frequency inverters, free wheeling operation, welding equipment and telecom power supplies
适用于开关电源和高频直流直流转换器双整流。封装TO-247,本装置适用于低电压,高频率逆变器,随心所欲的操作、焊接设备及通信电源
Key Features
Combines highest recovery and voltage performance
Ultrafast, soft and noise-free recovery
Low inductance and low capacitance allow simplified layout
主要特点
结合电压性能和最高的回收
超快软恢复,无噪音
低电感和低电容允许简化的布局
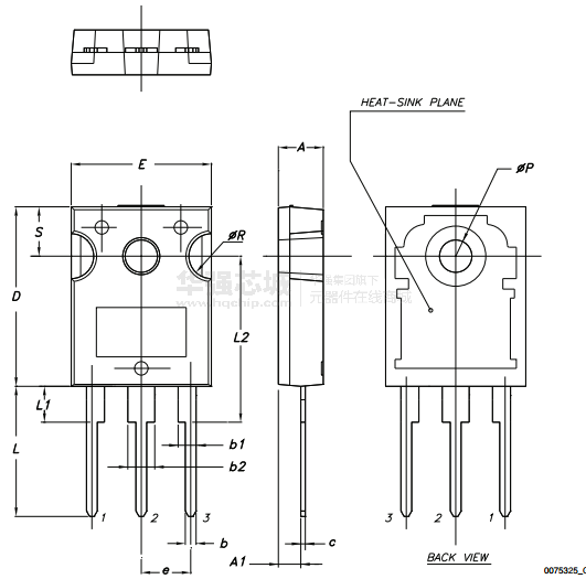
电路图、引脚图和封装图
应用案例
筑牢工业数字底座:集特智能GM9-6003-02国产主板,以自主“芯”驱动智能未来
2025-12-31
集特GM9-6003-02主板:兆芯KX-7000赋能工业智能新标杆
2025-12-31
TPS7H6003-SP 抗辐射 QMLV 200V 半桥 GaN 栅极驱动器数据手册
2025-05-16
TPS7H6023-SP 抗辐射 QMLV 22V 半桥 GaN 栅极驱动器数据手册
2025-05-16
运算放大器LT6003/LT6004/LT6005
2010-09-13
Atheros推出ROCm单芯片11n AR6003
2010-01-21
盛群半导体推出交流电转直流电电源管理IC HT7A3942和HT7A6003
2011-07-05
简易脉搏血氧计:使用简单,功能强
2018-06-12




