STTH15AC06C
涡轮2超快高压整流器
制造商:
产品信息
The STTH15AC06C uses ST Turbo 2 600 V technology and is suited as a boost diode in air conditioning equipment for continuous mode interleaved power factor correction.
The device is also intended for use as a freewheeling diode in power supplies and other power switching applications.
采用ST的stth15ac06c涡轮增压2 600 V技术,适合作为升压二极管在空调设备连续模式交错式功率因数校正。
该设备还提供了一个续流二极管在电源和其他电源转换应用。
Key Features
Ultrafast switching
Low reverse recovery current
Reduces switching and conduction losses
Low thermal resistance
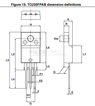
insulated package TO-220FPAB:
Insulated voltage: 2500 VDC
主要特点
超快切换
低反向恢复电流
减少开关和传导损耗
低热阻
绝缘包220FPAB:
绝缘电压:2500 VDC
电路图、引脚图和封装图
应用案例
AMEL15-JZ AC - DC转换器:高效可靠的电源解决方案
2026-03-27
AMEL15 - 277HAVZ AC - DC转换器:高效可靠的电源解决方案
2026-03-27
探索AMED15 - NZ AC - DC转换器:工业电源的理想之选
2026-03-27
电子工程师的新宠:Aimtec AME15-VZ AC - DC转换器深度解析
2026-03-27
探索Aimtec AME15 - 277VZ AC - DC转换器:高效与安全的完美结合
2026-03-27
Aimtec AME15 - MAZ 15W
2026-03-27
G2363X-15 AC-DC非隔离开关电源芯片 固定
2024-12-31
onsemi NVMTS001N06C N沟道MOSFET:小尺寸大能量的功率利器
2026-04-03






