STTH10LCD06
Turbo 2超快液晶开关电源的高压整流
制造商:
产品信息
The STTH10LCD06 uses ST Turbo 2 technology. This device is suited for power applications in flat panel displays and especially applicable to switching power supplies in LCD.
采用ST的stth10lcd06 Turbo 2技术。该装置适用于平板显示器的电源应用,特别适用于液晶显示器的开关电源。
Key Features
Ultrafast switching
Low reverse current
Low thermal resistance
Reduce conduction and switching losses
ECOPACK®2 compliant component for DPAK on demand
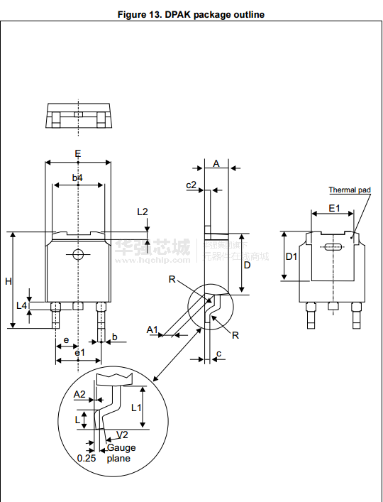
Insulated package: TO-220FPAC
Insulated voltage: 2000 VRMS sine
主要特点
超快开关
低反向电流
低热阻
减少传导和开关损耗
®Ecopack 2兼容的组件的DPAK封装的需求
绝缘包装:TO - 220FPAC
绝缘电压:2000 Vrms的正弦
电路图、引脚图和封装图
应用案例
SN74LV6T06/SN74LV6T06-Q1六通道开漏逆变器数据手册
2025-08-15
敏矽微电子Cortex-M0学习笔记06——段式LCD液晶实例
2023-09-27
TPS62A06/06A评估模块深度解析:6A高效降压转换器的设计与测试
2025-08-26
STTH120RQ06-M2Y超快桥接模块技术解析与应用指南
2025-10-17
60V/20A N沟道MOS管 TO-252 SLD20N06T
2022-05-06
三菱Q06UDEHCPU转MQTT三菱PLC转MQTT
2021-11-30
探索 ON Semiconductor 的 FDP050AN06A0/FDB050AN06A
2026-04-01
MAX11102/03/05/06/10/11/15/16/17:高性能低功耗ADC的卓越之
2026-04-01






