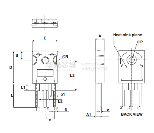
STPSC40065C
650体积功率肖特基二极管
制造商:
产品信息
The SiC diode is an ultrahigh performance power Schottky diode. It is manufactured using a silicon carbide substrate. The wide band gap material allows the design of a Schottky diode structure with a 650 V rating. Due to the Schottky construction, no recovery is shown at turn-off and ringing patterns are negligible. The minimal capacitive turn-off behavior is independent of temperature.
Especially suited for use in PFC applications, this ST SiC diode will boost the performance in hard switching conditions.
碳化硅二极管是一种超高性能的功率肖特基二极管。它是使用碳化硅衬底制造的。宽禁带材料允许的肖特基二极管结构的设计与650伏的评级。由于肖特基结构,没有恢复被证明在关断和铃声模式是可以忽略不计。最小的电容关断行为是独立的温度。
特别适合使用在PFC应用,这将促进ST SiC二极管在硬开关条件下的性能。
Key Features
No or negligible reverse recovery
Switching behavior independent of temperature
Dedicated to PFC applications
ECOPACK®2 compliant component
主要特点
没有或可以忽略不计的反向恢复
温度开关行为
致力于PFC的应用
®Ecopack 2兼容的组件




