STPS80150C
高压功率肖特基整流器
制造商:
产品信息
Dual center tap Schottky rectifiers suited for high frequency switch mode power supply.
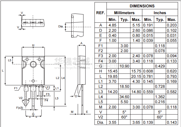
Packaged in TO-247, this devices is intended for use to enhance the reliability of the application.
适用于高频开关电源的双中心抽头肖特基整流器。
封装TO-247,这个装置是用以提高应用程序的可靠性。
Key Features
HIGH JUNCTION TEMPERATURE CAPABILITY
LOW LEAKAGE CURRENT
GOOD TRADE OFF BETWEEN LEAKAGE CURRENT AND FORWARD VOLTAGE DROP
LOW THERMAL RESISTANCE
HIGH FREQUENCY OPERATION
主要特点
高结温性能
低漏电流
漏电流和正向压降之间的良好折衷
低热阻
高频运行



