STPS660CB
功率肖特基整流器
制造商:
产品信息
High voltage dual Schottky rectifier suited to switch mode power supplies and other power converters.
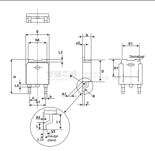
Packaged in DPAK, this device is intended for use in medium voltage operation, and particularly, in high frequency circuits where low switching losses are required.
适用于开关电源和其它功率转换器的高压双肖特基整流器。
采用DPAK,此设备是用于中等电压操作,特别是在高频电路中的开关损耗低的要求。
Key Features
Negligible switching losses
Low forward voltage drop
Low capacitance
High reverse avalanche surge capability
Tape and reel packing
ECOPACK®2 compliant component for DPAK on demand
主要特点
可忽略的开关损耗
低正向压降
低电容
高反向雪崩浪涌能力
磁带和卷轴包装
®Ecopack 2兼容的组件的DPAK封装的需求




