STPS41L45C
低功耗肖特基整流器
制造商:
产品信息
Dual center tab Schottky rectifier suited for 5V output in off line AC/DC power supplies.
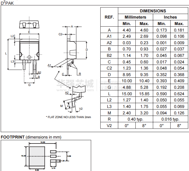
Packaged in D2PAK, I2PAK and TO-220AB this device is intended for use in low voltage, high frequency inverters, free-wheeling and polarity protection applications.
适合于线下的交流/直流电源5V输出双中心标签肖特基整流器。
采用D2PAK封装,i2pak和TO - 220AB这装置是使用低电压,高频率逆变器,免费续流和极性保护中的应用。
Key Features
Very small conduction losses
Negligible switching losses
Extremely fast switching
Low forward voltage drop
Low thermal resistance
Avalanche capability specified
主要特点
很小的传导损耗
可忽略的开关损耗
极快速切换
低正向压降
低热阻
规定的雪崩能力





