STPS40SM60C
功率肖特基整流器
制造商:
产品信息
The STPS40SM60C is a dual diode Schottky rectifier, suited for high frequency switch mode power supply.
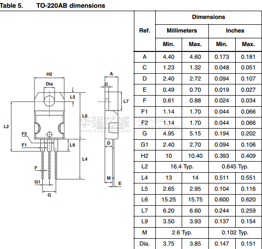
Packaged in TO-220AB, I2PAK and D2PAK, this device is intended to be used in notebook, game station and desktop adapters, providing in these applications a good efficiency at both low and high load.
stps40sm60c是双二极管肖特基整流器,适用于高频开关电源。
包装采用TO - 220AB,i2pak和D2PAK,此设备是用于笔记本电脑,游戏站和桌面适配器,提供这些应用在低和高负荷的一个很好的效率。
Key Features
High current capability
Avalanche rated
Low forward voltage drop
High frequency operation
主要特点
高电流能力
雪崩额定
低正向压降
高频运行
电路图、引脚图和封装图
应用案例
熔纤机sm和mm模式哪个好
2024-04-10
TVS二极管厂家 SM8S系列 汽车级 型号齐全
2022-09-07
TGA2706-SM TGA8659-FL TRIUQUINT QORVO 小张173 5997 2330
2018-05-15
SM-C-I型温度传感器电路图
2010-04-03
基于PIC16F877A单片机和SCA60C芯片实现帆船姿态仪的设计
2020-04-27
泰捷WEBOX发布了一款全新的电视盒子WE60C电视盒子
2020-10-27
mate50比mate40好吗 华为mate60详细参数价格
2023-08-31
意法半导体推出高稳健性的高压整流器STPS60SM200C
2011-10-08





