STPS40SM120C
功率肖特基整流器
制造商:
产品信息
This Schottky diode is suited for high frequency switch mode power supply.
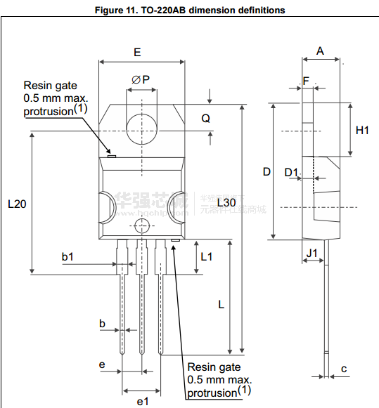
Packaged in TO-220AB narrow leads, TO-220AB and I2PAK, this device is intended to be used in notebook, game station and desktop adapters, providing in these applications a good efficiency at both low and high load.
该肖特基二极管适用于高频开关模式电源。
包装采用TO - 220AB窄导致和i2pak TO - 220AB装置,适用于笔记本电脑、游戏和桌面适配器,提供这些应用在低和高负荷的一个很好的效率。
Key Features
High current capability
Avalanche rated
Low forward voltage drop
High frequency operation
ECOPACK®2 compliant component on TO-220AB.
主要特点
高电流能力
雪崩额定
低正向压降
高频运行
®Ecopack 2兼容的组件在TO - 220AB。
电路图、引脚图和封装图
应用案例
SM401声控集成块构成的声控闪光电路
2020-09-18
SM系列全隔离CAN收发芯片的“家族成员”,你了解多少?
2023-08-16
明纬电源120W工业用DIN导轨型单组输出——EDR-120系列
2023-07-21
萨科微推出“slkor”SL40T120FL系列IGBT单管和SLA333系列CMOS运放等新产品
2023-06-14
明纬电源120W工业用DIN导轨型单组输出 EDR-120系列
2023-06-11
PSM3000/PSM4000/PSM5000系列功率计的性能特点及应用范围
2021-02-13
探秘通过3C认证的移动电源SOC新贵:海川SM5307
2025-02-06
Onsemi FQP11N40C与FQPF11N40C:N沟道MOSFET的深度解析
2026-03-30






