STPS30SM100S
功率肖特基整流器
制造商:
产品信息
This single Schottky rectifier is suited for high frequency switch mode power supply.
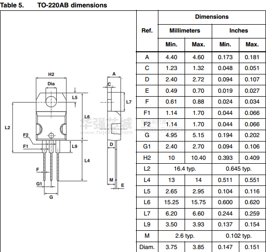
Packaged in TO-220AB, TO-220AB narrow leads, TO-220FPAB, D2PAK and I2PAK, this device is intended to be used in notebook, game station and desktop adaptors, providing in these applications a good efficiency at both low and high load.
该单肖特基整流器适用于高频开关电源。
包装采用TO - 220AB,TO - 220AB窄导致220FPAB,D2PAK封装和i2pak,该装置被用于笔记本电脑,游戏站和桌面适配器,提供这些应用在低和高负荷的一个很好的效率。
Key Features
High current capability
Avalanche rated
Low forward voltage drop current
High frequency operation
Insulated package:
Insulation voltage 2000 V rms
Package capacitance = 12 pF
主要特点
高电流能力
雪崩额定
低正向压降电流
高频运行
绝缘包:
绝缘电压2000伏均方根
封装电容= 12
电路图、引脚图和封装图
应用案例
TVS二极管替代选型:SM8S22A可替代威世SM8A27
2023-04-25
过ISO 16750-2 测试标准专用TVS二极管-SM8S33A
2022-11-07
TVS二极管厂家 SM8S系列 汽车级 型号齐全
2022-09-07
富士GFX100s发布售价39800元重900克 机身比 GFX100缩小30%
2021-02-22
过ISO 16750-2 测试标准专用TVS二极管-SM8S33A
2022-11-07
TVS二极管厂家 SM8S系列 汽车级 型号齐全
2022-09-07
过ISO 16750-2 测试标准专用TVS二极管-SM8S33A
2022-11-07
TVS二极管替代选型:SM8S22A可替代威世SM8A27
2023-04-25







