STPS30M60C
功率肖特基整流器
制造商:
产品信息
The STPS30M60C is a dual diode Schottky rectifier, suited for high frequency switch mode power supply.
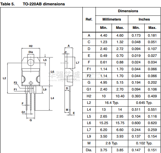
Packaged in TO-220AB, I2PAK and D2PAK, this device is intended to be used in notebook, game station and desktop adapters, providing in these applications a good efficiency at both low and high load.
stps30m60c这是双二极管肖特基整流器,适用于高频开关电源。
包装采用TO - 220AB,i2pak和D2PAK,此设备是用于笔记本电脑,游戏站和桌面适配器,提供这些应用在低和高负荷的一个很好的效率。
Key Features
High current capability
Avalanche rated
Low forward voltage drop
High frequency operation
主要特点
高电流能力
雪崩额定
低正向压降
高频运行
电路图、引脚图和封装图
应用案例
深入解析 Z80C30/Z85C30 CMOS SCC 串行通信控制器
2026-01-27
曝华为Mate 60/60 Pro备货充足:芯片下单千万级
2023-09-01
福禄克RSE30/60系列在线红外热像仪的应用场景
2024-08-09
4G模块A7680C、A7670C数传价格或跌破30元
2022-07-08
M60系列直线压电马达性能强劲,行程高达100mm
2021-01-04
探索BGT60ATR24C 60 GHz雷达传感器:特性、应用与设计要点
2025-12-21
探索BGT60ATR24C ES Shield:XENSIV™ 60 GHz雷达系统平台的奥
2025-12-21
意法半导体推出高稳健性的高压整流器STPS60SM200C
2011-10-08





