STPS30H60C
功率肖特基整流器
制造商:
产品信息
Dual centre tab Schottky rectifier suited for high frequency switch mode power supply.
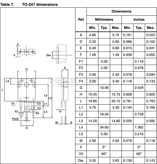
Packaged in TO-220FPAB, TO-220AB, TO-247, I2PAK, and D2PAK, this device is intended to be used in notebook and LCD adaptors and desktop SMPS. In these applications the STPS30H60C provides a good margin between the remaining voltages applied on the diode and the voltage capability of the diode.
适用于高频开关电源的双中心标签肖特基整流器。
包装在TO - 220FPAB,TO - 220AB,TO-247、i2pak,和D2PAK,此设备适用于笔记本电脑和液晶开关电源适配器和桌面。在这些应用中的stps30h60c提供剩余电压的二极管和二极管的电压能力之间的一个很好的边缘。
Key Features
High junction temperature capability
Avalanche rated
Low leakage current
Good trade-off between leakage current and forward voltage drop
High frequency operation
主要特点
高结温的能力
额定雪崩
低漏电流
漏电流和正向压降之间的良好折衷
高频率操作
电路图、引脚图和封装图
应用案例
TPS281C30工业高侧开关评估模块技术解析与应用指南
2025-08-29
联想重磅推出Legion H600无线游戏耳机
2021-01-13
福禄克RSE30/60系列在线红外热像仪的应用场景
2024-08-09
新品 | 采用固态隔离器iSSI30R11H的固态开关评估板
2024-07-18
海为H60S0T系列PLC在高温烧结炉上的控制设计方案
2018-08-15
意法半导体推出智能微型模压模块STGIPN3H60和STGIPN3H60A
2012-02-21
意法半导体推出高稳健性的高压整流器STPS60SM200C
2011-10-08
意法半导体推出新款高压肖特基整流二极管STPS60SM200C
2011-10-17







