STPS20SM100S
功率肖特基整流器
制造商:
产品信息
Single Schottky rectifier, suited for high frequency switch mode power supply.
Packaged in TO-220AB, TO-220FPAB, D2PAK and I2PAK, this device is intended to be used in notebook, game station and desktop adaptors, providing in these applications a good efficiency at both low and high load.
单肖特基整流器,适用于高频开关电源。
包装采用TO - 220AB,TO - 220FPAB,D2PAK封装和i2pak,该装置被用于笔记本电脑,游戏站和桌面适配器,提供这些应用在低和高负荷的一个很好的效率。
Key Features
High current capability
Avalanche rated
Low forward voltage drop current
High frequency operation
Insulated package (TO-220FPAB):
Insulation voltage 2000 V rms Package capacitance = 12 pF
主要特点
高电流能力
雪崩额定
低正向压降电流
高频运行
绝缘封装(TO - 220FPAB):绝缘电压2000 V rmspackage电容为12 pF
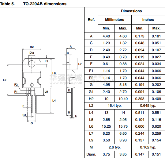
电路图、引脚图和封装图
应用案例
紫光旗下灵图软件成立20周年,发布战略级新产品Sm@rtMapX
2019-04-20
TVS二极管 SM8S系列 ISO 16750-2抛负载保护 型号齐全
2023-05-30
TVS二极管厂家 SM8S系列 汽车级 型号齐全
2022-09-07
Diodes推出工业级碳化硅DMWS120H100SM4 N
2023-04-14
双向二极管SM8S36CA 汽车级瞬态抑制器
2022-05-11
TVS二极管厂家 SM8S系列 汽车级 型号齐全
2022-09-07
SM8S33A车用TVS瞬态抑制二极管,可替代国际知名品牌
2022-01-14
SM8S33A/SM8S36A,在汽车12V DC电源线瞬态浪涌保护中的应用
2021-11-18






