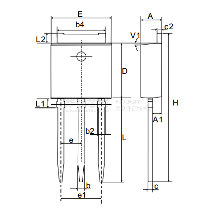
STPS2045CH
功率肖特基整流器
制造商:
产品信息
This device is a dual diode Schottky rectifier, suited to high frequency switch mode power supply.
Packaged in IPAK, this device is intended to be used in notebook, game station and desktop adapters, providing in these applications a good efficiency at both low and high load.
该器件是一个双二极管肖特基整流器,适合于高频开关电源。
包装在爱普,该装置被用于笔记本电脑,游戏站和桌面适配器,提供这些应用在低和高负荷的一个很好的效率。
Key Features
Very small conduction losses
Avalanche specification
Low forward voltage drop
High frequency operation
ECOPACK®2 compliant on demand
主要特点
很小的传导损耗
雪崩规范
低正向压降
高频运行
®Ecopack 2符合要求




