STPS1545C
功率肖特基整流器
制造商:
产品信息
Dual center tap Schottky rectifier suited for switch mode power supply and high frequency DC to DC converters.
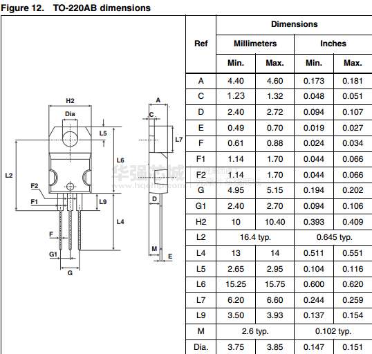
Packaged either in TO-220AB, D2PAK, I2PAK, or DPAK, this device is especially intended for use in low voltage, high frequency inverters, free wheeling and polarity protection applications.
双中心抽头肖特基整流器适用于开关电源和高频直流-直流转换器。
包装采用TO - 220AB,D2PAK封装,i2pak,或采用DPAK,该装置特别适用于低电压,高频率逆变器,免费续流和极性保护中的应用。
Key Features
very small conduction losses
negligible switching losses
extremely fast switching
avalanche capability specified
主要特点
很小的传导损耗
可忽略的开关损耗
极快速切换
规定的雪崩能力






