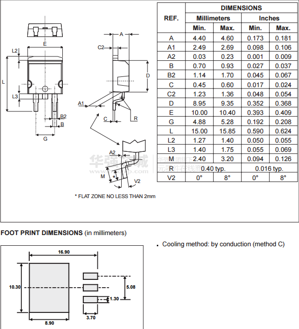
STPS10L25
低功耗肖特基整流器
制造商:
产品信息
Single Schottky rectifier suited to Switched Mode Power Supplies and high frequency DC to DC converters.
This device is especially intended for use as a rectifier at the secondary of 3.3 V SMPS units.
适合于开关电源和高频直流-直流转换器的单肖特基整流器。
该器件特别适合于3.3 V电源单元的次级整流。
Key Features
Very low forward voltage drop for less power dissipation
Optimized conduction/reverse losses trade-off offering the highest efficiency in the applications
Avalanche capability specified
主要特点
非常低的正向压降为较少的功耗
优化的传导/反向损失的权衡提供的应用程序中的最高效率
规定的雪崩能力




