SSM2804
内置D类扬声器和无电容耳机驱动器的音频子系统
制造商:ADI/AD
产品信息
优势和特点
3路单端立体声音频输入,可选差分模式
集成Σ-Δ调制的立体声1.4 W无滤波器D类放大器
集成接收器路径旁路开关
可配置的高性能无电容耳机输出,采用真地G类技术
可选基于硬件的耳机电平限幅器
I2C 控制接口- 音量控制- 灵活的输入/输出混频- 输出模式控制- EMI辐射控制- 自动电平控制(ALC)- 可调耳机电平限幅器
低关断电流
短路和热保护
Pop-and-click(爆音与咔嚓声)抑制
提供30引脚2.5 mm × 3.0 mm WLCSP封装
产品详情
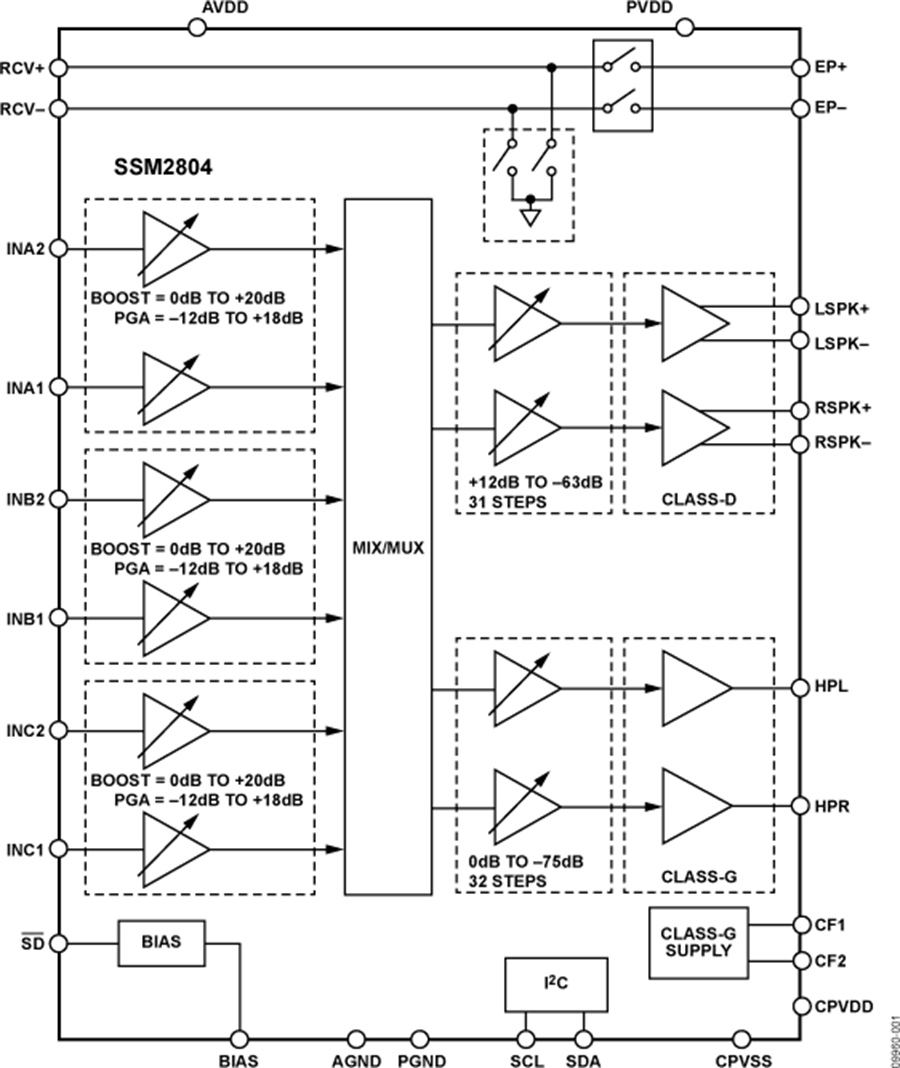
SSM2804是一款专门针对移动电话和便携式多媒体设备而设计的音频子系统。这款高度灵活的子系统包括三个输入通道,可以将其配置为单端立体声或单声道差分输入以用于多媒体音频源。
每组输入可以通过2线I2C接口独立调整,并且提供30 dB范围、1 dB步长的可调增益。每组输入通道还提供可选的可变输入阻抗PGA模式或固定输入阻抗升压模式。输入信号经过混频后路由至所需的一组输出。该配置通过2线I2C控制接口设置。
SSM2804提供三种可选的输出模式。
第一种输出模式是一个立体声D类扬声器驱动器,它能够向一个8 Ω桥接负载(BTL)提供2 × 1.4 W的连续功率,采用5 V电源时的总谐波失真加噪声(THD + N)为1%。该D类放大器集成三级Σ-Δ输出调制,用以延长电池续航时间和提高EMI性能。D类放大器提供I2C可调的音量控制功能,其增益范围为+12dB至−63dB,分31级进行调节。
第二种输出模式是一对高性能耳机驱动器,能够向立体声32 Ω单端负载提供每通道20 mW的功率,THD + N为1%。立体声耳机驱动器采用高效率、以真地为中心的G类架构。耳机输出集成I2C可调的音量控制功能,其增益范围为0 dB至−75dB,分32级进行调节。
第三种输出模式是一个集成接收器路径旁路开关,用于传送来自音频基带的语音信号。
SSM2804的额定温度范围为−40°C至+85°C工业温度范围,内置热关断和输出短路保护功能,采用30引脚、2.5 mm x 3.0 mm晶圆级芯片规模封装(WLCSP)。
应用
移动电话
便携式多媒体设备
电路图、引脚图和封装图
应用案例
sSMT无铅再流焊技术的原理与工艺控制过程
2019-10-15
解析ADN2804:622 Mbps时钟和数据恢复IC的卓越性能与应用指南
2026-03-23
SSM6N44FE:高效低损耗MOSFET的理想选择
2024-11-25
SSM6515超低压D类音频放大器:设计与应用指南
2026-01-16
探索SSM3525 - MIPI:高性能音频放大器的技术魅力
2026-01-16
ONET2804T:28 Gbps 4 通道限幅跨阻放大器的深度解析
2026-02-05
ONET2804TLP:高性能低功耗4通道限幅跨阻放大器的深度解析
2026-02-05
关于SOUTHWEST西南微波SSMA连接器36 GHz的简介
2020-08-13


