SPWF01SC
串行到Wi-Fi模块
制造商:
产品信息
The SPWF01SA and the SPWF01SC intelligent Wi-Fi modules represent a plug and play and standalone 802.11 b/g/n solution for easy integration of wireless Internet connectivity features into existing or new products.
Configured around a single-chip 802.11 transceiver with integrated PA and an STM32 32-bit microcontroller with an extensive GPIO suite, the modules also incorporate timing clocks and voltage regulators. Two different options exist based on the integrated Flash memory. The SPWF01Sx.2y orderable parts integrate 1.5 MB of Flash, while The SPWF01Sx.2y orderable parts integrate 512 kB of Flash.
The module is available either configured with an embedded micro 2.45 GHz ISM band antenna (SPWF01SA), or with an u.FL connector for external antenna connection (SPWF01SC).
With low power consumption and small form factor, the modules are ideal for fixed and mobile wireless applications, as well as challenging battery-operated applications.
The SPWF01Sx.y1 orderable parts are released with an integrated full featured TCP/IP protocol stack with added web server and additional application service capabilities. The SW package also includes an AT command layer interface for user-friendly access to the stack functionalities via the UART serial port.
spwf01sa和spwf01sc智能Wi-Fi模块是一个即插即用和独立的802.11 B / G / N的解决方案为无线互联网连接功能,易于集成到现有的或新的产品。
周围配置集成PA和一个广泛的GPIO套件STM32 32位单片机单片机802.11收发器,模块也将定时时钟和电压调节器。基于集成闪存的2种不同的选择。的spwf01sx.2y订购部件集成1.5 MB闪存,而spwf01sx.2y订购部件集成512 KB的Flash。
该模块可以配置一个嵌入式2.45 GHz ISM频段的天线(spwf01sa),或与外部天线连接的连接器(spwf01sc)美国佛罗里达州。
随着低功耗和小形式因素,该模块是理想的固定和移动无线应用,以及具有挑战性的电池供电的应用。
spwf01sx.y1可释放部分集成了一个功能完整的TCP / IP添加Web服务器和其他应用程序服务功能的协议栈。该软件包还包括一个用于通过UART串口堆栈功能方便用户的访问命令层界面。
Key Features
2.4 GHz IEEE 802.11 b/g/n transceiver
STM32 ARM Cortex-M3
Multiple Integrated Flash memory options:
1.5 MB (SPWF01Sx.1y orderable parts)
512 kB (SPWF01Sx.2y orderable parts)
64 KB RAM memory
32 kHz XTAL to support low power modes
16 GPIOs, serial port (UART, SPI, I2C) interfaces available
Small form factor: 26.92 x 15.24 x 2.35 mm
Up to +18 dBm output power
Single voltage supply (3.3 V typ.)
Multiple antenna options:
Integrated antenna (SPWF01SA.xy versions)
Integrated U.Fl connector (SPWF01SC.xy versions)
Industrial operating temperature range
FCC/CE/IC certified
RoHS compliant
Surface mount PCB module
主要特点
2.4 GHz IEEE 802.11 b / g / n收发器
ARM Cortex-M3内核的STM32
多集成闪存选项:
1.5 MB(spwf01sx.1y订购的零件)
512 KB(spwf01sx.2y订购的零件)
64 KB的RAM内存
32 kHz晶振,支持低功耗模式
16个串口(UART,SPI,I2C接口,可用)
小外形因素:26.92×15.24×2.35毫米
高达18 dBm的输出功率
单电源电压(3.3 V型。)
多天线选择:
集成天线(spwf01sa.xy版本)
综合美国佛罗里达州连接器(spwf01sc.xy版本)
工业工作温度范围
催化裂化/铈/集成电路认证
符合RoHS
表面贴装电路板模块
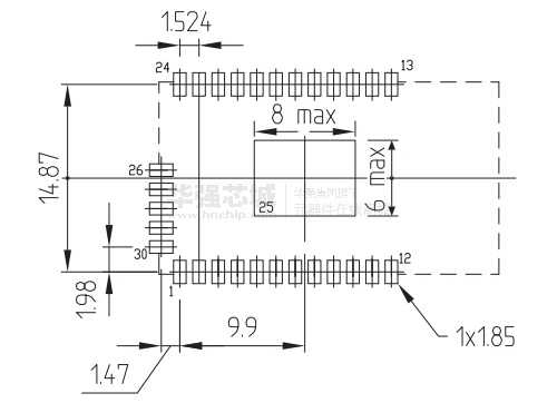
电路图、引脚图和封装图
应用案例
DC-DC转换器SC46166中文资料_引脚图及功能_特性参数及应用电路
2017-12-21
!供应 SC-340 SC 340 SC3400 示波器校验
2008-09-03
!供应 SC-340 SC 340 SC3400 示波器校验
2008-09-22
sc光纤是什么意思
2024-10-17
诠鼎推出SC7731G和SC9830A,助手机开发商开发出高性价比的手机
2018-07-19
展讯携SC9853I和SC9850系列亮剑移动通信市场
2017-08-16
基于SC6600R+SC6600V的CMMB手机整体解决方案
2010-02-14
展讯SC8810的参数与功能介绍(含sc8810平台LCD架构)
2018-03-31



