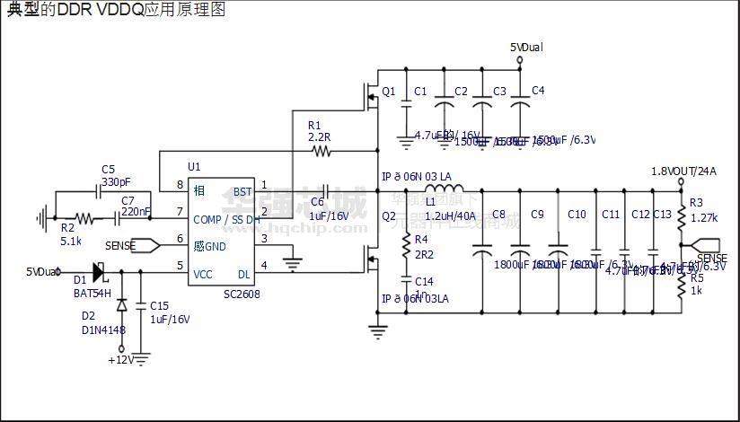
SC2608
简单的,同步电压模式PWM控制器
制造商:
产品信息
描述:
该SC2608是一款多功能的电压模式PWM控制器设计用于在降压型DC / DC电源使用应用程序阳离子。一个简单的,固定频率,高效率降压监管机构可以通过与迷你的SC2608实施发作的外部元件。输入电压的范围是从+ 3.3V至+ 12V 。内部电平转换和驱动电路消除止数据的需要昂贵的P沟道的高边MOSFET。小器件尺寸允许紧凑电路设计。
特点:
+ 3.3V和+ 5V或+ 12V的输入电压
200kHz的操作
高效率( >90 % )1%的基准电压准确度
打嗝模式过电流保护
强大的输出驱动器
RDS ( ON)电流检测保护
工业温度范围
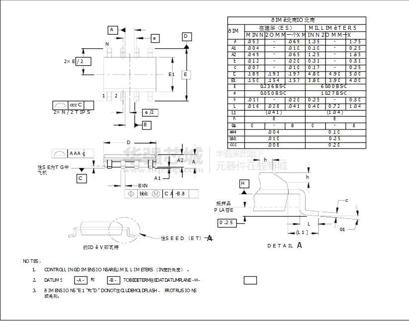
SO- 8封装
集成自举二极管
热关机
完全WEEE和RoHS标准
功能:
SC2608的功能包括温度补偿电压年纪参考,三角波振荡器,限流比较parator ,和一个外部补偿的误差放大器。电流限制通过感测上的电压降来实现在底部MOSFET řDS ( ON).在SC2608工作在200kHz的固定频率提供效率之间的最佳折衷,外部组件的尺寸和成本。SC2608有一个热保护电路,它是如果结点温度超过150激活
应用:
端接电源
低成本微处理器用品
外围卡供应
工业电源
高密度DC / DC转换器






