PS2801-4
光耦合隔离器
制造商:
产品信息
该PS2801-1和PS2801-4是含有在一个GaAs发光二极管和NPN光耦合隔离器
硅光敏晶体管的塑封SSOP对于高密度应用。
这个包有屏蔽作用,切断环境光。
特点
高隔离电压(BV = 2 500 VR。硕士)
小而薄的包装(4,16-pin SSOP封装,引脚间距为1.27毫米)
高集电极发射极电压(击穿电压为80 V)
高速开关(TR = 3µ的典型值,TF = 5µ的典型。)
订购磁带产品编号:ps2801-1-f3,F4,ps2801-4-f3,F4
无铅产品
安全标准:2801-1,4
UL批准:文件号e72422
BSI批准:8188号、8189
DIN en60747-5-2(vde0884二)批准(选项)
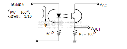
电路图、引脚图和封装图
技术资料
应用案例
初代PS至PS4共售出超过4.5亿台,PlayStation 5将于2020年底开售
2019-12-04
一个电机驱动电路及仿真
2019-07-08
基于一种适用于模拟脉宽调制PWM可调光的LED驱动器NCL2801解析
2019-12-06
UCC28019A LED照明应用负载动态性能优化解决方案
2013-10-21
4通道光耦 PS2801-4(NEC2801-4), 2011年价格行情指数
2017-03-22
4通道光耦 PS2801-4(NEC2801-4), 2011年价格行情指数
2017-03-22
光耦TLP250,TLP350,TLP290,PS2801-4
2017-03-22
索尼PS5主机4周销量是XSX/XSS系列的2倍
2020-12-28



