OPA1612
1.1nV/√Hz 噪声、低功耗、精密音频运算放大器
制造商:
产品信息
OPA1612是TI推出的一款高性能、双通道、双极输入音频运算放大器。与同类竞争器件相比,隶属 TI Burr-Brown Audio 产品线的 OPA1612 可将噪声与失真分别降低 60 % 和 50 %,为设计人员带来清脆的音质。该放大器无需大幅增加功耗即可支持多个通道,满足各种应用的需求,如专业音频与播音室设备、扩音器前置放大器、模数混合控制台、高端 A/V 接收机以及音频测量测试设备等。
与其他同类竞争产品相比,OPA1612具有以下主要特性与优势:
双极输入可达到 1.1 nV√Hz 的极低噪声密度以及 1 kHz 0.000015 % 的超低失真,从而实现清脆的音频;
针对具有 2 欧姆负载的不高于 600 mV 电压提供的轨至轨输出摆幅可提高性能预留空间,并最大限度地提高动态范围;
每通道电源电流仅为 3.6 mA 的 ±2.25 V 至 ±18 V 的业界最高电源工作电压范围可在各种负载情况下实现优异的动态特性;
甚至在过驱动与过负载时,独立电路也可实现通道间相互影响的最低串扰与自由度;
特性
出色音质
超低噪声:1kHz 时为 1.1nV/√Hz
超低失真:
1kHz 时为 0.000015%
高压摆率:27V/μs
高带宽:40MHz (G = +1)
高开环增益:130dB
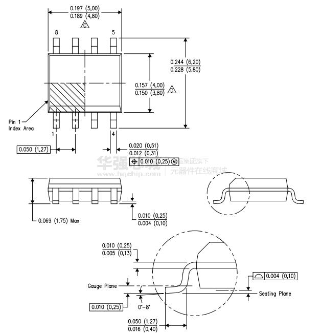
电路图、引脚图和封装图
在线购买
型号:OPA1612AIDRGR
描述:-
型号:OPA1612AIDRGT
描述:-
型号:OPA1612AIDR
描述:-
型号:OPA1611AIDR
描述:-
型号:OPA1612AID
描述:-
型号:OPA1611AID
描述:-
