NRF905
868/433/915MHz 收发器
制造商:
产品信息
NRF905无线芯片是有挪威NORDIC公司出品的低于1GHz无线数传芯片,主要工作于433MHz、868MHz和915MHz的ISM频段。芯片内置频率合成器、功率放大器、晶体振荡器和调制器等功能模块,输出功率和通信频道可通过程序进行配置。非常适合于低功耗、低成本的系统设计。
应用
无线数据通信
报警和安全系统
家庭自动化
遥控
监控
汽车
遥测
无钥匙进入
玩具
优势特点
在一个小32引脚真正的单芯片收发器GFSK
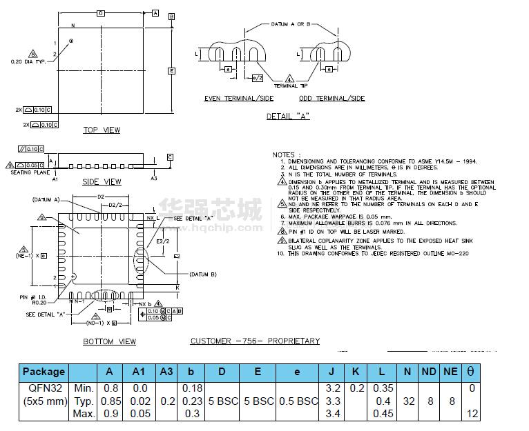
封装(QFN32L的5x5mm)
的ShockBurst™模式为低功耗运行
电源电压范围1.9〜3.6 V
多通道操作 - ETSI/ FCC兼容
频道切换时间<650μs
材料成本极低清单(BOM)
无需外部SAW滤波器
可调输出功率可达10dBm的
载波检测的协议“发射前侦听”
当一个有效的数据包是数据就绪信号
接收或发送
地址匹配检测传入数据包
数据分组的自动重发
自动CRC和前导码生成
低电源电流(德克萨斯州),典型的9毫安@-10dBm输出
动力
低电源电流(RX),典型的12.5毫安
规格参数

电路图、引脚图和封装图
在线购买
型号:NRF905无线模块(PTR8000+)无线传输模块NF905SE 带天线(C6B2)-立式
描述:-
型号:NRF905无线模块(PTR8000+)无线传输模块NF905SE 带天线(C6B2)-卧式
描述:-
型号:NRF905 编带
描述:-
型号:nRF905
描述:-
型号:nRF905-REEL
描述:-
型号:nRF905-EVKIT-433
描述:-



