NRF24L01
单芯片2.4GHz射频收发机
制造商:
产品信息
NRF2401是一单芯片型广播式无线射频收发机,它采用全球普遍使用的2.4至2.5GHz传输通信频率。该无线射频收发机由频率整合器、功率放大器、晶体振荡器、调制器组成。通过对3线串行接口的使用,可以很简单的对功率输出与通道频率进行编程处理。电流消耗非常低,在5dBm功率输出时电流只有10.5mA,接收模式时工作电流为18mA。内置掉电模式可以更好的实现电能节约
优势特点
24针脚小体积包装单芯片射频收发机(体积尺寸:5×5mm)
数据传输速率0至1兆比特每秒
只有2个外部组件
多通道运行功能
125个通道
通道切换时间小于200微妙
支持频率间的调换
数据传输切换/时钟信号可恢复数据
收发地址与接收数据校验CRC计算
同时双向无线接收
低功耗无线发送模式,工作在超低耗环境下,便以减轻微处理器的执行任务
工作环境电压范围:1.9至3.6V
低电流发送特性,最高电流10.5mA,5dBm输出功率
低电流接收特性,工作在接受模式下最大耗电流18mA
100%射频测试
无需外置SAW滤波器
全球普遍使用
规格参数
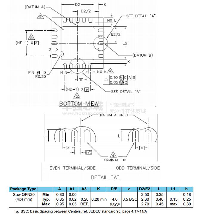
◆ 小体积,QFN20 4x4mm封装
◆ 宽电压工作范围,1.9V~3.6V,输入引脚可承受5V电压输入
◆ 工作温度范围,-40℃~+80℃
◆ 工作频率范围,2.400GHz~2.525GHz
◆ 发射功率可选择为0dBm、-6dBm、-12dBm和-18dBm
◆ 数据传输速率支持1Mbps、2Mbps [1]
◆ 低功耗设计,接收时工作电流12.3mA,0dBm功率发射时11.3mA,掉电模式时仅为900nA
◆ 126个通讯通道,6个数据通道,满足多点通讯和调频需要
◆ 增强型“ShockBurst”工作模式,硬件的CRC校验和点对多点的地址控制
◆ 数据包每次可传输1~32Byte的数据
◆ 4线SPI通讯端口,通讯速率最高可达8Mbps,适合与各种MCU连接,编程简单
◆ 可通过软件设置工作频率、通讯地址、传输速率和数据包长度
◆ MCU可通过IRQ引脚块判断是否完成数据接收和数据发送
电路图、引脚图和封装图
在线购买
型号:NRF24L01P
描述:-
型号:NRF24L01P-WFR
描述:-
型号:NRF24L01-REEL->
描述:-
型号:NRF24L01P-MODU>
描述:-
型号:nRF24L01P-MODULE-SMA
描述:-
型号:nRF24L01P-MODULE-PCB
描述:-



