NE555
单精度定时器 Time芯片
制造商:
产品信息
NE555 (Timer IC)为8脚时基集成电路,大约在1971年由Signetics Corporation发布,在当时是唯一非常快速且商业化的Timer IC,在往后的30年中非常普遍被使用,且延伸出许多的应用电路,后来基于CMOS技术版本的Timer IC如MOTOROLA的MC1455已被大量的使用,但原规格的NE555依然正常的在市场上供应,尽管新版IC在功能上有部份的改善,但其脚位功能并没变化,所以到目前都可直接的代用。
NE555是属于555系列的计时IC的其中的一种型号,555系列IC的接脚功能及运用都是相容的,只是型号不同的因其价格不同其稳定度、省电、可产生的振荡频率也不大相同;而555是一个用途很广且相当普遍的计时IC,只需少数的电阻和电容,便可产生数位电路所需的各种不同频率之脉波讯号。
优势特点
主要特点
1.只需简单的电阻器、电容器,即可完成特定的振荡延时作用。其延时范围极广,可由几微秒至几小时之久。
2.它的操作电源范围极大,可与TTL,CMOS等逻辑电路配合,也就是它的输出电平及输入触发电平,均能与这些系列逻辑电路的高、低电平匹配。
3.其输出端的供给电流大,可直接推动多种自动控制的负载。
4.它的计时精确度高、温度稳定度佳,且价格便宜。
规格参数
参数功能
·供应电压4.5-18V
·供应电流10-15ma
·输出电流225mA (max)
·上升/下降时间100 ns
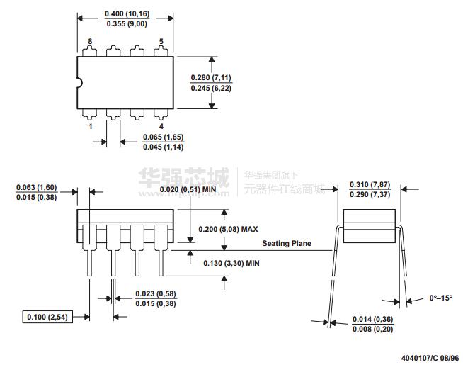
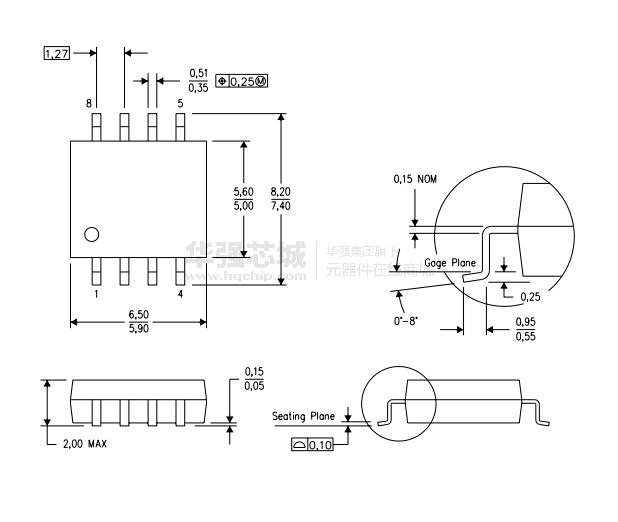
电路图、引脚图和封装图
在线购买
型号:NE555PSG4
描述:-
型号:NE555D,623
描述:-
型号:NE555PSE4
描述:-
型号:NE555G-S08-R 编带
描述:-
型号:NE555N 管装
描述:-
型号:NE555P 管装
描述:-
技术资料
应用案例
ne555呼吸灯电路图大全(三款NE555脉冲LED灯电路详解)
2010-09-08
ne555和lm555的区别介绍_lm555/ne555
2010-09-08
用NE555制作音频信号发生器,NE555 Multivibrator
2018-09-21
ne555调光电路图大全(五款模拟电路设计原理图详解)
2010-09-08
ne555呼吸灯电路图大全(四款ne555呼吸灯电路设计原理图详解)
2010-09-08
NE555高压发生器电路,ne555 high voltage generator
2019-01-26
NE555在组成多谐振荡器时5脚空接的作用是什么?
2023-09-14
ne555延时电路图大全(开机延时输出高电平/自激多谐振荡器)
2018-03-29






