NCV7718
Hex Half-Bridge Driver
制造商:ON
产品信息
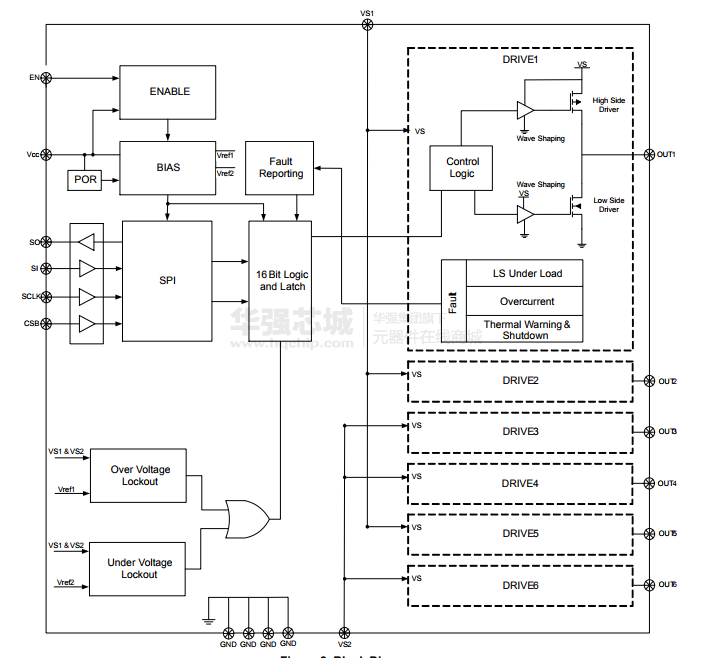
The NCV7718 is a Hex Half-Bridge Driver with protection features designed specifically for automotive and industrial motion control applications. The NCV7718 has independent controls and diagnostics. The device can be operated in forward, reverse, brake, and high impedance states. The drivers are controlled via a 16 bit SPI interface and are daisy chain compatible.
优势特点
Low Quiescent Current Sleep Mode
HighSide and LowSide Drivers Connected in a HalfBridge Configuration
Integrated Freewheeling Protection (LS and HS)
0.55 A Peak Current
RDS(on) = 1 ohm (typ)
5 MHz SPI Control
Compliance with 5 V and 3. 3 V Systems
Undervoltage and Overvoltage Lockout
Discriminated Fault Reporting
Overcurrent Protection
Overtemperature Protection
Under Load Detection
Daisy Chain Compatible with Multiple of 8 bit Devices
16Bit Frame Detection
Dual Source of NCV7718C
规格参数

电路图、引脚图和封装图
在线购买
型号:NCV7718DPR2G
描述:-
技术资料
应用案例
可提高电源效率的同步整流ic U7718
2023-04-21
基于 onsemi NCV78343 & NCV78964的汽车矩阵
2024-09-14
LMP7718 双通道 88MHz 精密低噪声 1.8V CMOS 输入、解补偿放大器技术手册
2025-05-20
可提高电源效率的同步整流ic U7718
2023-04-21
NCV7720DQR2G半桥驱动IC芯片国产替代
2022-05-20
NCV7719DQAR2G八路半桥驱动器国产替代
2022-05-14
可提高电源效率的同步整流ic U7718
2023-04-25
NCV8402ADDR2G,原装正品,价格美丽
2021-11-12





