NCV7240
8 Channel Low-Side Relay Driver
制造商:ON
产品信息
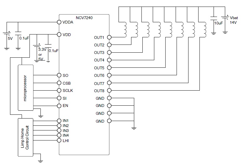
The NCV7240 is an automotive eight channel low side driver providing drive capability up to 600 mA per channel. Output control is via a SPI port and offers convenient reporting of faults for open load (or short to ground), over load, and over temperature conditions.Additionally, parallel control of the outputs is addressable (in pairs) via the INx pins.A dedicated limp home mode pin (LHI) enables OUT1 thru OUT4 while disabling OUT5 thru OUT8.Each output driver is protected for over load current and includes an output clamp for inductive loads. The NCV7240 is available in a SSOP24 fused lead package.
- 8 Channels
- 600mA Low Side Drivers
- 16 bit SPI control
- Parallel Input Pins
- Power Up without Open Circuit Detection
- Low Quiescent Current
- Limp Home Functionality
- 3.3V and 5V compatible Digital Input Supply Range
- Fault Reporting of Open Load, Over Load, and Over Temperature
- Power On Reset
- Uniform output structure of all outputs on one side of the package.
- AEC-Q100 Qualified


