NCS2566
Video Amplifier, 6-Channel(Triple SD, Triple Selectable SD/HD)
制造商:ON
产品信息
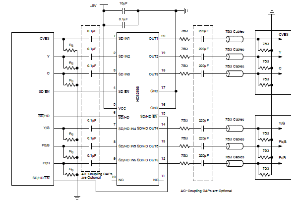
The NCS2566 integrates together reconstruction filters and video amplifiers. It is a combination of two 3-channel drivers - a first one capable to deal with SD video signals only and a second one including selectable filters for Standard Definition (SD) or High Definition (HD) video applications. The implemented filters are 6th order Butterworth Low Pass filters particularly effective for rejecting unwanted high frequency components and assuring a good linearity of the phase change over frequency with very well optimized group delays. Moreover all channels can accept dc- or ac-coupled signals, if ac-coupled the internal clamps are employed. The outputs can drive both ac- or dc- coupled 150 Ohm loads. It is designed to be compatible with most Digital-to-Analog Converters (DAC) embedded in video processors. To further reduce power consumption, two enable pins are provided, one for each triple driver. One pin allows selecting the filter frequency of the SD/HD triple driver.
- 3 channels with selectable 6th-order 8/32 MHz Butterworth filters
- 3 channels with fixed 6th-order 8 MHz Butterworth filters
- Transparent input clamp for each channel
- Integrated level shifter
- AC- or DC-coupled inputs and outputs
- Shutdown current 42 µAtypical (disabled)
- Each channel capable of driving two 150 Ohm loads
- Internal gain: 6 dB
- Wide input common mode range
- 8 kV ESD Protection (IEC61000-4-2 Compatible)
- Operating temperature range: -40°C to +85°C
电路图、引脚图和封装图
在线购买
型号:NCS2566DTBR2G
描述:-
技术资料
应用案例
英特尔NCS2靠边 基于SPR2803S AI神经计算棒性能爆表
2019-07-05
NCSC对攻击全球组织的Ryuk勒索软件发出紧急警报
2019-07-03
替代NCS8823芯片方案|CS5260完全替代NCS8823芯片|Type-C转VGA低成本方案
2023-02-19
TCL2566 彩电待机电压高检修一例
2006-04-18
康佳T2566E彩电冷机无伴音故障及检修分析
2018-10-07
自清洁半导体异质结衬底说明
2022-03-26
康佳T2522E、T2525、T2563E、T2566E1、
2009-01-23
基于NCS21xR和NCS199AxR电流检测放大器的滤波电路设计
2018-06-25


