NCP5007
LED Driver, Boost, Compact Backlight
制造商:ON
产品信息
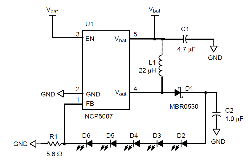
The NCP5007 is high efficiency boost converter operating in current control loop, based on a PFM mode, to drive White LEDs. The current mode regulation allows a uniform brightness of the LEDs. The chip has been optimized for small ceramic capacitors and is capable of supplying up to 1.0 W output power.
- Inductor Based Converter brings High Efficiency
- Constant Output Current Regulation
- 2.7 to 5.5 V Input Voltage Range
- Vout to 22 V Output Compliance Allows up to 5 LEDs Drive in Series which Provides Automatic LED Current Matching
- Built-in Over Voltage Protection
- 0.3 µA Standby Quiescent Current
- Includes Dimming Function (PWM)
- Enable Function Driven Directly from Low Battery Voltage Source
- Thermal Shutdown Protection
- All Pins are Fully ESD Protected
- Low EMI Radiation
电路图、引脚图和封装图
在线购买
型号:NCP5007SNT1G
描述:-
技术资料
应用案例
博文 | 安森美图腾柱控制器NCP1680/NCP1681 应用方案选型
2022-09-07
lm5007引脚图,lm5007应用电路图
2023-07-14
NCP1072/NCP1075电源解决方案的主要特点及应用
2021-03-14
NCP5386,NCP5386A,NCP5386B应用电路
2008-10-23
基于NCP1246和NCP4354低待机能耗电源适配器方案
2013-09-26
基于NCP1607和NCP1397的街道照明高能效LED电源
2010-10-20
基于NCP1075 / NCP4328A的高压LED驱动方案
2014-03-17
安森美半导体基于NCP1246和NCP4354低待机能耗电源适配器方案
2013-09-26


