NCP5005
LED Driver, Boost, Compact Backlight
制造商:ON
产品信息
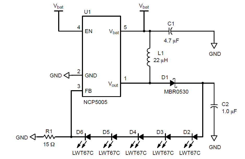
The NCP5005 is high efficiency boost converter operating in current loop, based on a PFM mode, to drive White LED. The current mode regulation allows a uniform brightness of the LEDs. The chip has been optimized for small ceramic capacitors, capable to supply up to 1.0 W output power.
- 2.7 to 5.5 V Input Voltage Range
- Vout to 24 V Output Compliance allows up to 5 LEDs drive in Series
- Buil-in Overvoltage protection
- Full EMI Immunity
- Inductor Based Converter brings up to 90% Efficiency
- Constant Output Current regulation
- 0.3 µA Stand By Quiescent Current
- Includes Dimming Function (PWM)
- Enable Function Driven Directly from Low Battery Voltage Source
- Automatic LEDs Current Matching
- Thermal Shutdown Protection
- All Pins are Fully ESD Protected
- Low EMI Radiation
电路图、引脚图和封装图
在线购买
型号:NCP5005SNT1G
描述:-


