NCP431
Voltage Reference, Low Cathode Current, Programmable, Shunt Regulator
制造商:ON
产品信息
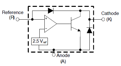
The NCP431 integrated circuits are three-terminal programmable shunt regulator diodes. They are a direct upgrade to the industry standard TL431A. These monolithic IC voltage references operate as a low temperature coefficient zener which is programmable from Vref to 36 V using two external resistors. These devices exhibit a wide operating current range of 40 µA to 100 mA with a typical dynamic impedance of 0.22Ω. The characteristics of these references make them excellent replacements for zener diodes in many applications such as digital voltmeters, power supplies, and op amp circuitry. The 2.5 V reference makes it convenient to obtain a stable reference from 5.0 V logic supplies, and since the NCP431 operates as a shunt regulator, it can be used as either a positive or negative voltage reference. Low minimum operating current makes this device an ideal choise for secondary regulators in SMPS adapters with extremely low no-load consumption.
The NCP432 has exactly the same functionality and electrical specifications as the NCP431, but has an alternate pin configuration.
The NCP432 has exactly the same functionality and electrical specifications as the NCP431, but has an alternate pin configuration.
- Low Minimum Operating Current: 40 uA, Typ @ 25C
- Voltage Reference Tolerance: 1%, Typ @ 25C
- Programmable Output Voltage to 36 V
- Low Dynamic Output Impedance, 0.22ohm Typical
- Temperature Compensated for Operation over Full Rated Operating
- Temperature Range
- Equivalent FullRange Temperature Coefficient of 50 ppm/C
- Typical
- NCP431 is pin compatible to the TL432
- NCP432 is pin compatible to the TL431
电路图、引脚图和封装图
在线购买
型号:NCP431BCSNT1G
描述:-
型号:NCP431AILPRAG
描述:-
型号:NCP431AVLPG
描述:-
型号:NCP431AVLPRAG
描述:-
型号:NCP431AIDR2G
描述:-
型号:NCP431AVDR2G
描述:-


