NCP1910
High Performance Combo Controller for ATX Power Supplies
制造商:ON
产品信息
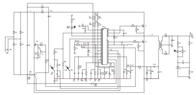
Housed in a SO-24WB package, the NCP1910 combines a state-of-the-art circuitry aimed to powering next generation of ATX or flat TVs converters. With a 65 kHz Continuous Conduction Mode Power Factor Controller and a LLC controller hosting a high-voltage driver, the NCP1910 is ready to power 85+ types of offline power supplies. To satisfy stringent efficiency considerations, the PFC circuit implements an adjustable frequency fold back to reduce switching losses as the load is going light. To cope with all the signal sequencing required by the ATX and flat TVs specifications, the controller includes several dedicated pins enabling handshake between the secondary and the primary sides. These signals include a power-good line but also a control pin which turns the controller on and off via an opto coupler. Safety-wise, a second OVP input offers the necessary redundancy in case the main feedback network would drift away. Finally, a fast fault input immediately reacts in presence of an over current condition by triggering an auto-recovery soft-start sequence.
- PFC frequency fold back
- LLC Skip
- Dynamic Response enhancers
- Adjustable Line Brown-Out Protection
- On/off and power Good Management Signam
- Redundant Vbulk Over Voltage Protection
电路图、引脚图和封装图
在线购买
型号:NCP1910A65DWR2G
描述:-
型号:NCP1910B65DWR2G
描述:-
型号:NCP1910B100DWR2G
描述:-
型号:NCP1910A100DWR2G
描述:-
应用案例
NCP1072/NCP1075电源解决方案的主要特点及应用
2021-03-14
小米CC9Pro或搭载一亿像素
2019-10-08
博文 | 安森美图腾柱控制器NCP1680/NCP1681 应用方案选型
2022-09-07
博文 | 安森美图腾柱控制器NCP1680/NCP1681 应用方案选型
2022-09-07
基于TDA1910的Hi-Fi 10W音频放大器电路
2022-05-14
博文 | 安森美图腾柱控制器NCP1680/NCP1681 应用方案选型
2022-09-07
AI药物发现新贵1910 Genetics完成2200万美元A轮融资
2021-03-30
OPPOR1910倍无损变焦专利曝光 或许会采用全新的屏幕能将前置相机融合在屏幕中
2018-12-27


