NCP1654
Power Factor Correction Controller for Compact and Robust, Continuous Conduction Mode Pre-Converters
制造商:ON
产品信息
The NCP1654 is a controller for Continuous Conduction Mode (CCM) Power Factor Correction Step up preconverters. It controls the power switch conduction time (PWM) in fixed frequency mode and is dependant on the instantaneous coil current. Housed in a SO-8 package the circuit minimizes the number of external components and drastically simplifies the PFC implementation. It also integrates high safety features that make the NCP1654 a driver for robust and compact PFC stages like an effective input power runaway clamping circuit.
- Very Few External Components
- Programmable Overcurrent Protection
- BrownOut Detection
- Overvoltage Protection
- Soft Start
- Continuous Conduction Mode
- Average Current-Mode or Peak Current-Mode Operation
- Programmable Overpower Limitation
- Undervoltage Detection for Open Loop Detection (shutdown)
- Inrush Currents Detection
电路图、引脚图和封装图
技术资料
应用案例
博文 | 安森美图腾柱控制器NCP1680/NCP1681 应用方案选型
2022-09-07
博文 | 安森美图腾柱控制器NCP1680/NCP1681 应用方案选型
2022-09-07
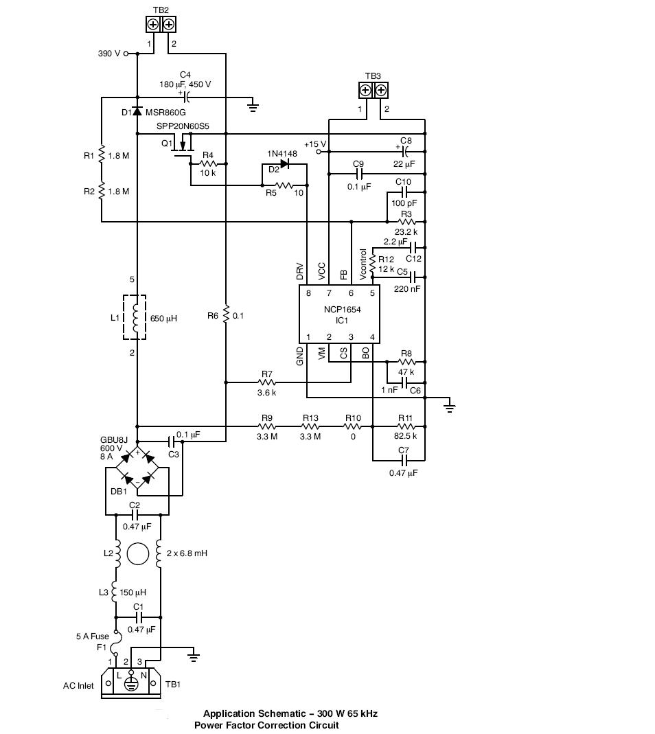
电源功率因素控制方案(NCP1654)
2010-07-23
NCP5386,NCP5386A,NCP5386B应用电路
2010-07-23
基于NCP1246和NCP4354低待机能耗电源适配器方案
2010-07-23
基于NCP1607和NCP1397的街道照明高能效LED电源
2010-07-23
基于NCP1075 / NCP4328A的高压LED驱动方案
2010-07-23
NCP1587, NCP1587A应用电路
2010-07-23


