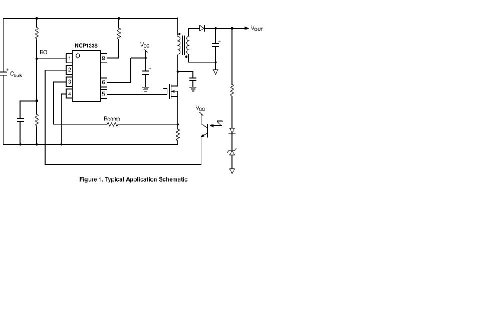
NCP1338
PWM Controller, Free Running Quasi-Resonant Current Mode
制造商:ON
产品信息
The NCP1338 combines a true current mode modulator and a demagnetization detector which ensures full Borderline/Critical Conduction Mode in any load/line conditions together with minimum drain voltage switching (Quasi-Resonant operation). The transformer core reset detection is done internally, without using any external signal, due to the Soxyless concept. The frequency is internally limited to 130 kHz, preventing the controller from operating above the 150 kHz CISPR-22 EMI starting limit.
By monitoring the feedback pin activity, the controller enters skip mode as soon as the power demand falls below a predetermined level. As each restart is softened by an internal Soft-Skip™, and as the frequency cannot go below 25 kHz, no audible noise can be heard.
The NCP1338 also features an efficient protective circuitry which, in presence of an overcurrent condition, disables the output pulses and enters a safe burst mode, trying to restart. Once the default has gone, the device auto-recovers. Also included is a bulk voltage monitoring function (known as brown-out protection), an adjustable overpower compensation, and a V
OVP. The Fault Timer is reset by any of these conditions, to ensure that the controller immediately restarts when the condition disappear. Finally, an internal 4.0 ms Soft-Start eliminates the traditional startup stress. NCP1338 can be used in applications where the V
supply voltage is delivered by an external dc voltage source.
NCP1338 vs NCP1337:When a BO condition is applied, both controllers stop. When the BO condition is removed, NCP1337 doesn't restart if the fault timer has timed out; whereas NCP1338 always restarts (if Vcc is higher than 12 V).
By monitoring the feedback pin activity, the controller enters skip mode as soon as the power demand falls below a predetermined level. As each restart is softened by an internal Soft-Skip™, and as the frequency cannot go below 25 kHz, no audible noise can be heard.
The NCP1338 also features an efficient protective circuitry which, in presence of an overcurrent condition, disables the output pulses and enters a safe burst mode, trying to restart. Once the default has gone, the device auto-recovers. Also included is a bulk voltage monitoring function (known as brown-out protection), an adjustable overpower compensation, and a V
OVP. The Fault Timer is reset by any of these conditions, to ensure that the controller immediately restarts when the condition disappear. Finally, an internal 4.0 ms Soft-Start eliminates the traditional startup stress. NCP1338 can be used in applications where the V
supply voltage is delivered by an external dc voltage source.
NCP1338 vs NCP1337:When a BO condition is applied, both controllers stop. When the BO condition is removed, NCP1337 doesn't restart if the fault timer has timed out; whereas NCP1338 always restarts (if Vcc is higher than 12 V).
- Overvoltage Protection
- Internal Leading Edge Blanking
- Free-Running Borderline/Critical Mode Quasi-Resonant Operation
- Soft-Skip Mode with Minimum Switching Frequency for Standby
- Current-Mode
- Auto-Recovery Short-Circuit Protection Independent of Auxiliary Voltage
- Brown-Out Protection
- Two Externally Triggerable Fault Comparators (one for a disable function, and the other for a permanent latch)
- Internal 4.0 ms Soft-Start
- 500 mA Peak Current Drive Sink Capability
- 130 kHz Max Frequency
- Internal Temperature Shutdown
- Direct Optocoupler Connection
- Dynamic Self-Supply with Levels of 12 V (On) and 10 V (Off)
- SPICE Models Available for TRANsient and AC Analysis
- Pb-Free Device
电路图、引脚图和封装图
在线购买
型号:NCP1338DR2G
描述:-
技术资料
应用案例
DS1338,DS1338C,DS1338U,DS1338Z串行实时时钟
2011-10-18
NCP5386,NCP5386A,NCP5386B应用电路
2008-10-23
基于NCP1246和NCP4354低待机能耗电源适配器方案
2013-09-26
基于NCP1607和NCP1397的街道照明高能效LED电源
2010-10-20
基于NCP1075 / NCP4328A的高压LED驱动方案
2014-03-17
移动互联网累计流量达1338亿GB,同比增长34%
2020-11-24
安森美半导体基于NCP1246和NCP4354低待机能耗电源适配器方案
2013-09-26
NCP1587, NCP1587A应用电路
2008-10-23


